GM Service Manual Online
For 1990-2009 cars only
Makes
🢒
Saturn
🢒
2006
🢒
ION
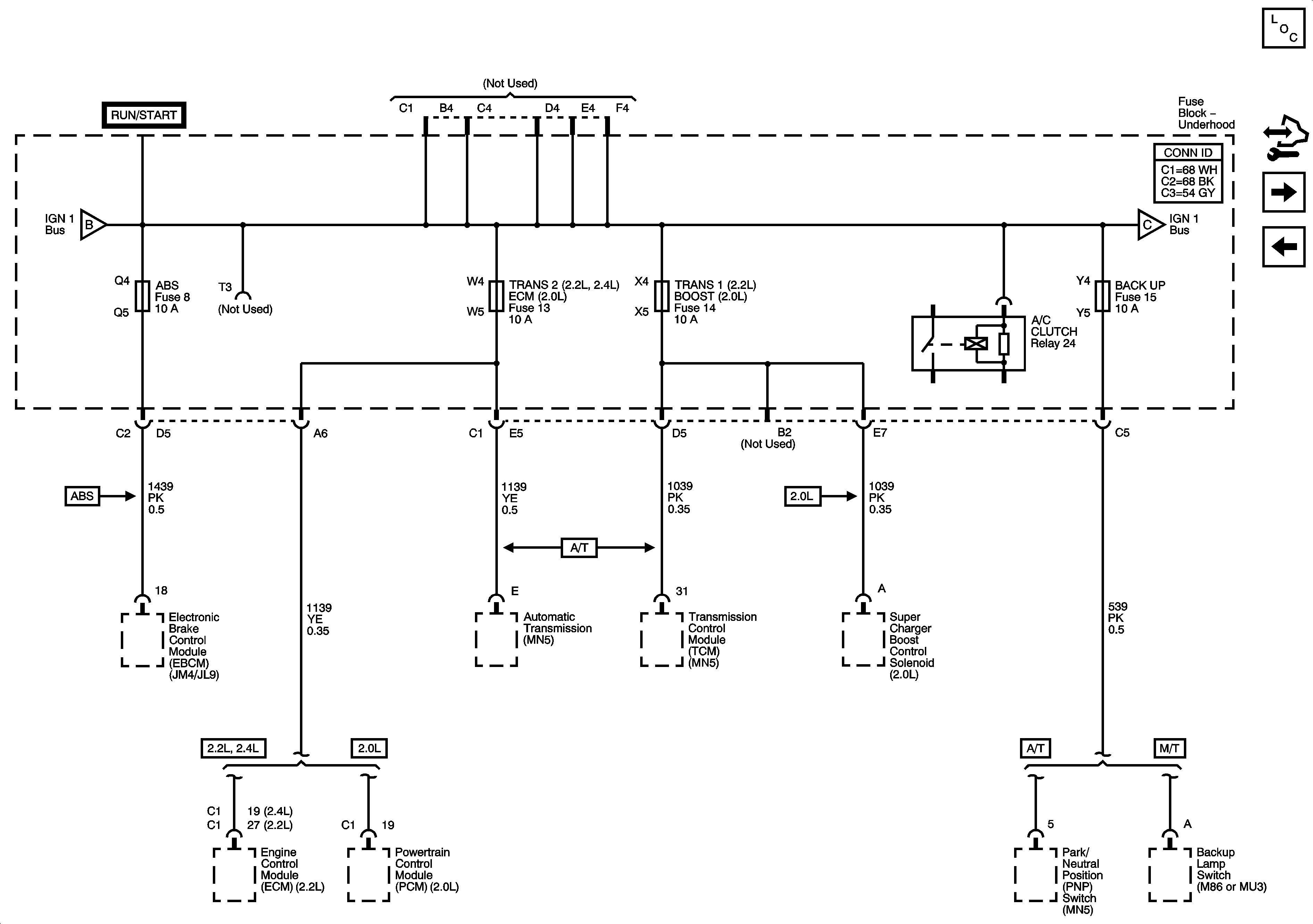
🢒 ABS (10A), BACK UP, BOOST, ECM, TRANS 1, and TRANS 2 Fuses
ABS (10A), BACK UP, BOOST, ECM, TRANS 1, and TRANS 2 Fuses
ABS (10A), BACK UP, BOOST, ECM, TRANS 1, and TRANS 2 Fuses
Master Electrical Component List
Control Module References
AIR BAG/AOS, CLUTCH/BRAKE/AOS, and EPS/CRUISE Fuses
Ignition Switch, RUN/CRANK Fuse, RUN/CRANK (IGN1) Relay
Ignition Switch, RUN/CRANK Fuse, RUN/CRANK (IGN1) Relay
AIR BAG/AOS, CLUTCH/BRAKE/AOS, and EPS/CRUISE Fuses