GM Service Manual Online
For 1990-2009 cars only

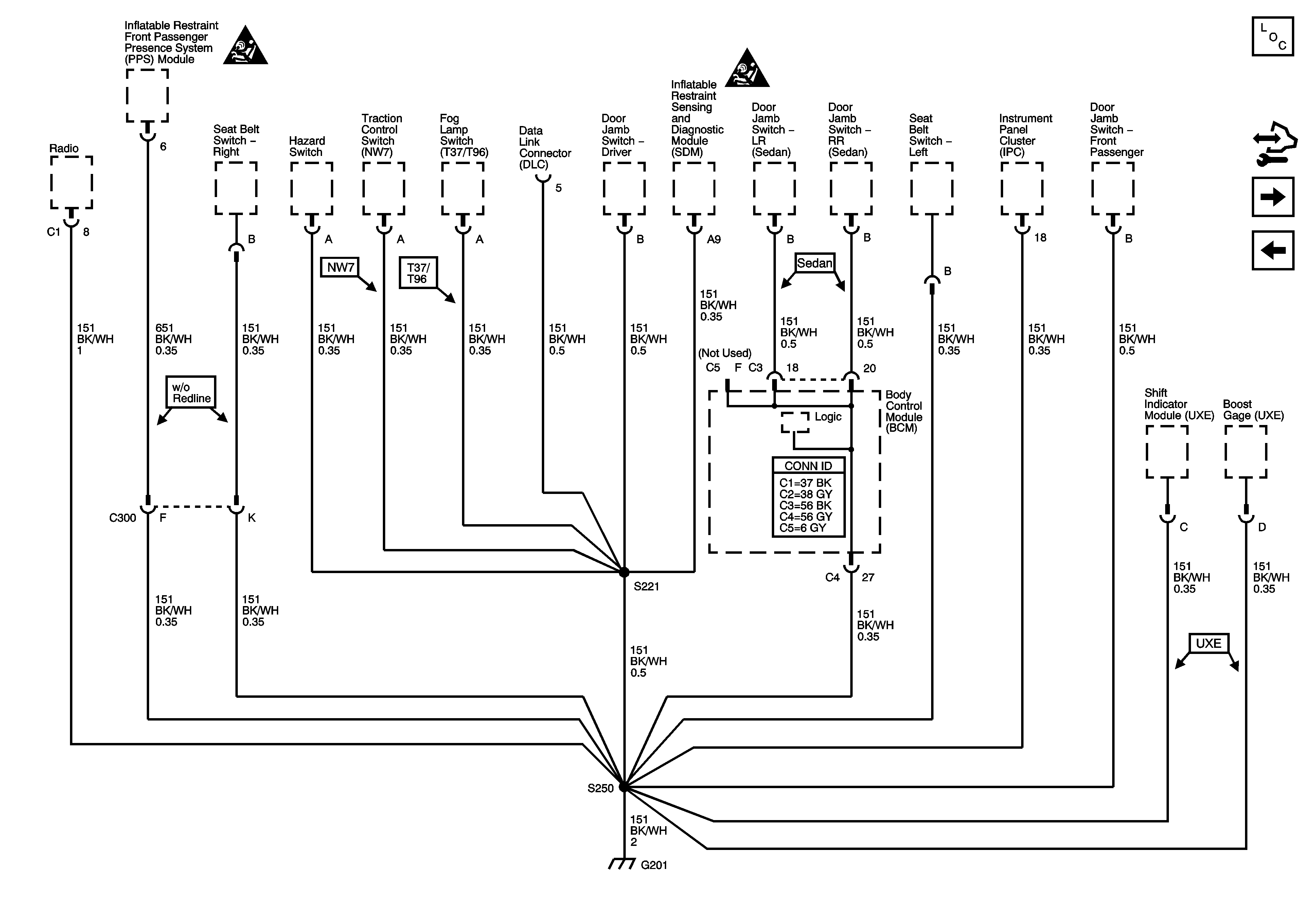
G201

G201


Object Number: 1592839  Size: FS
Master Electrical Component List
Control Module References
G203
G103 and G105 - 2.2L, 2.4L, and G109
Power and Grounding Schematic Icons
Power and Grounding Schematic Icons