GM Service Manual Online
For 1990-2009 cars only

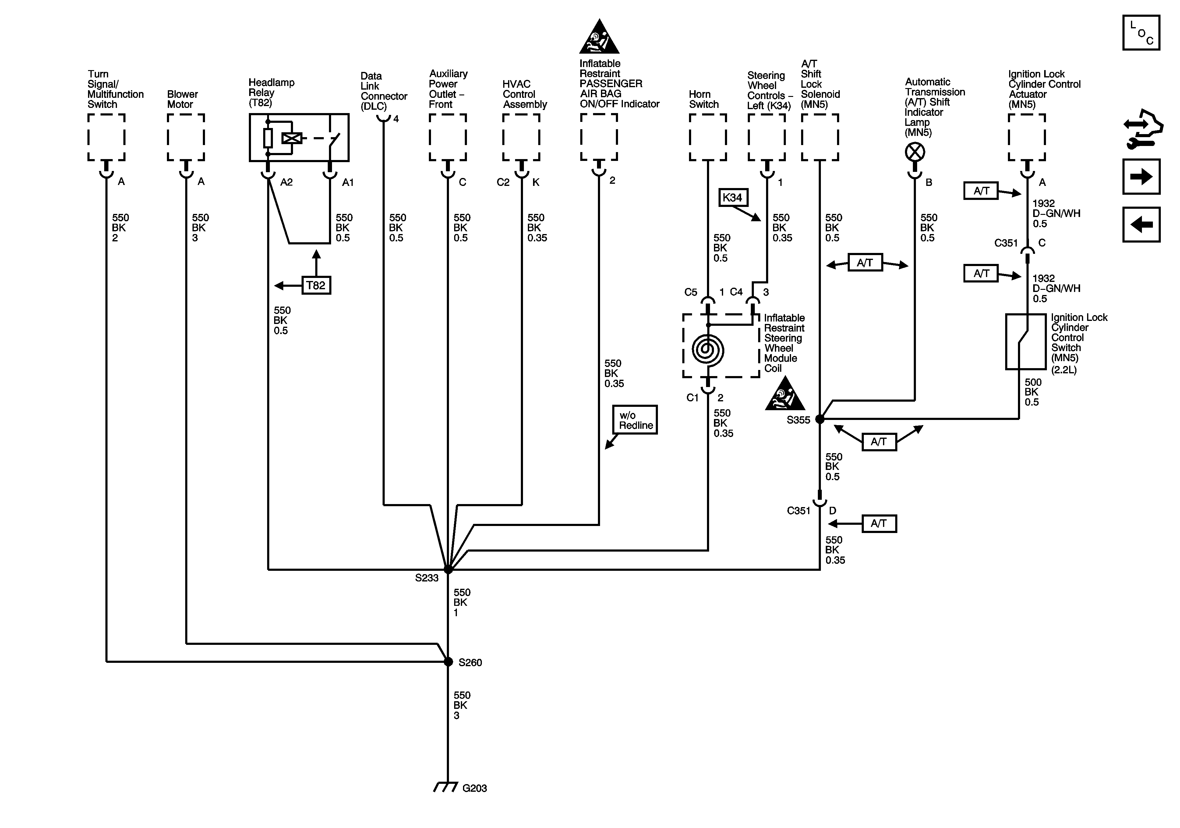
G203

G203


Object Number: 1592840  Size: FS
Master Electrical Component List
Control Module References
G301
G201
Power and Grounding Schematic Icons
Power and Grounding Schematic Icons