GM Service Manual Online
For 1990-2009 cars only
Makes
🢒
Saturn
🢒
2006
🢒
ION
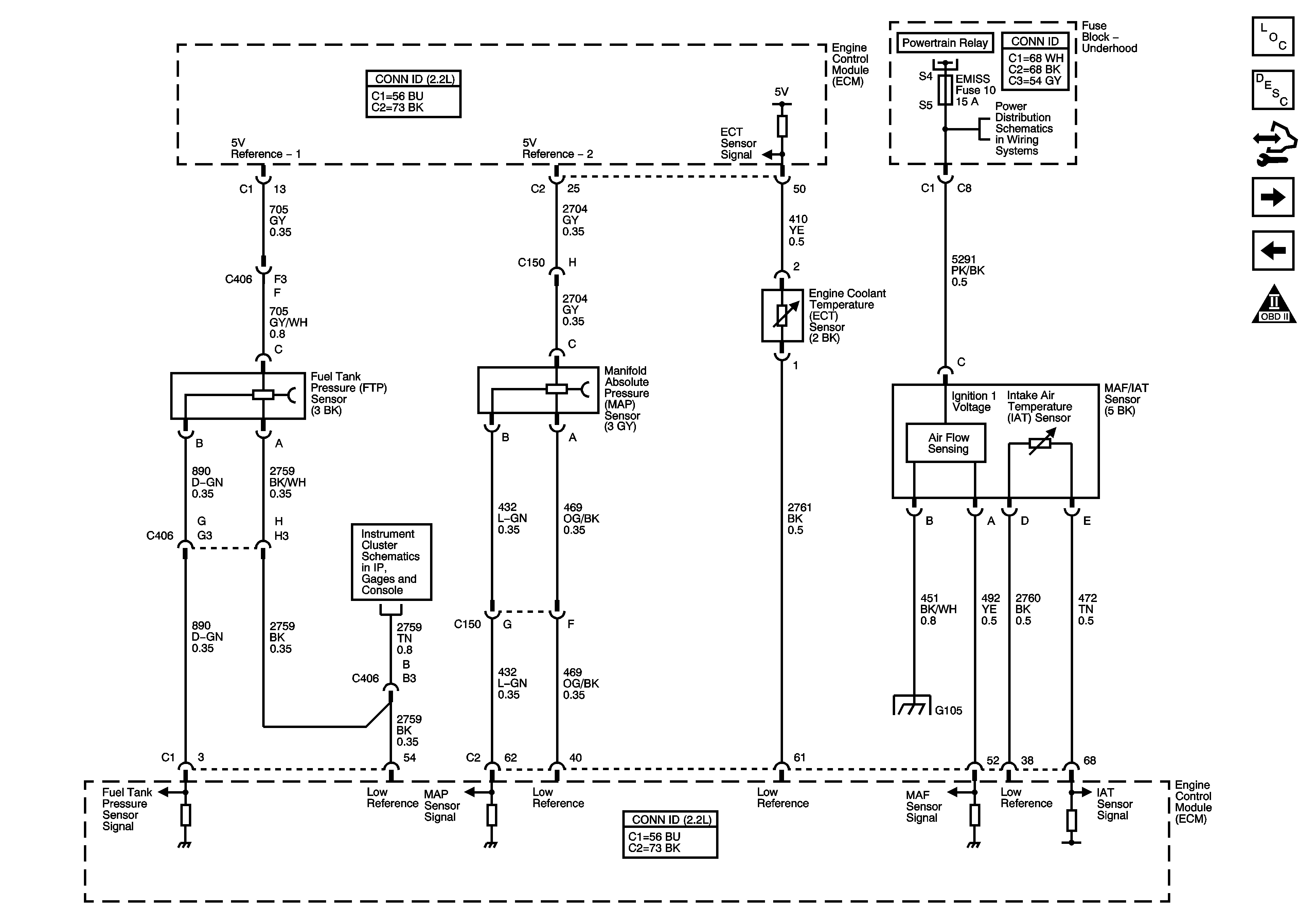
🢒 Engine Data Sensors - Pressure, Temperature, and MAF/IAT - 2.2L
Engine Data Sensors - Pressure, Temperature, and MAF/IAT - 2.2L
Engine Data Sensors - Pressure, Temperature, and MAF/IAT
Master Electrical Component List
Engine Control Module Description
Control Module References
Engine Data Sensors - HO2S - 2.2L
Engine Data Sensors - 5-Volt and Reference Bussing - 2.2L
Engine Controls Schematic Icons
Power, Ground, MIL, and Serial Data - 2.2L
AIR PUMP RLY, ECM/ETC, EMISS, IGN, and INJECTOR Fuses, AIR SOLENOID, POWERTRAIN Relays - 2.2L
Fuel Level and Oil Pressure
G103 and G105 - 2.2L, 2.4L, and G109