GM Service Manual Online
For 1990-2009 cars only
Makes
🢒
Saturn
🢒
2006
🢒
ION
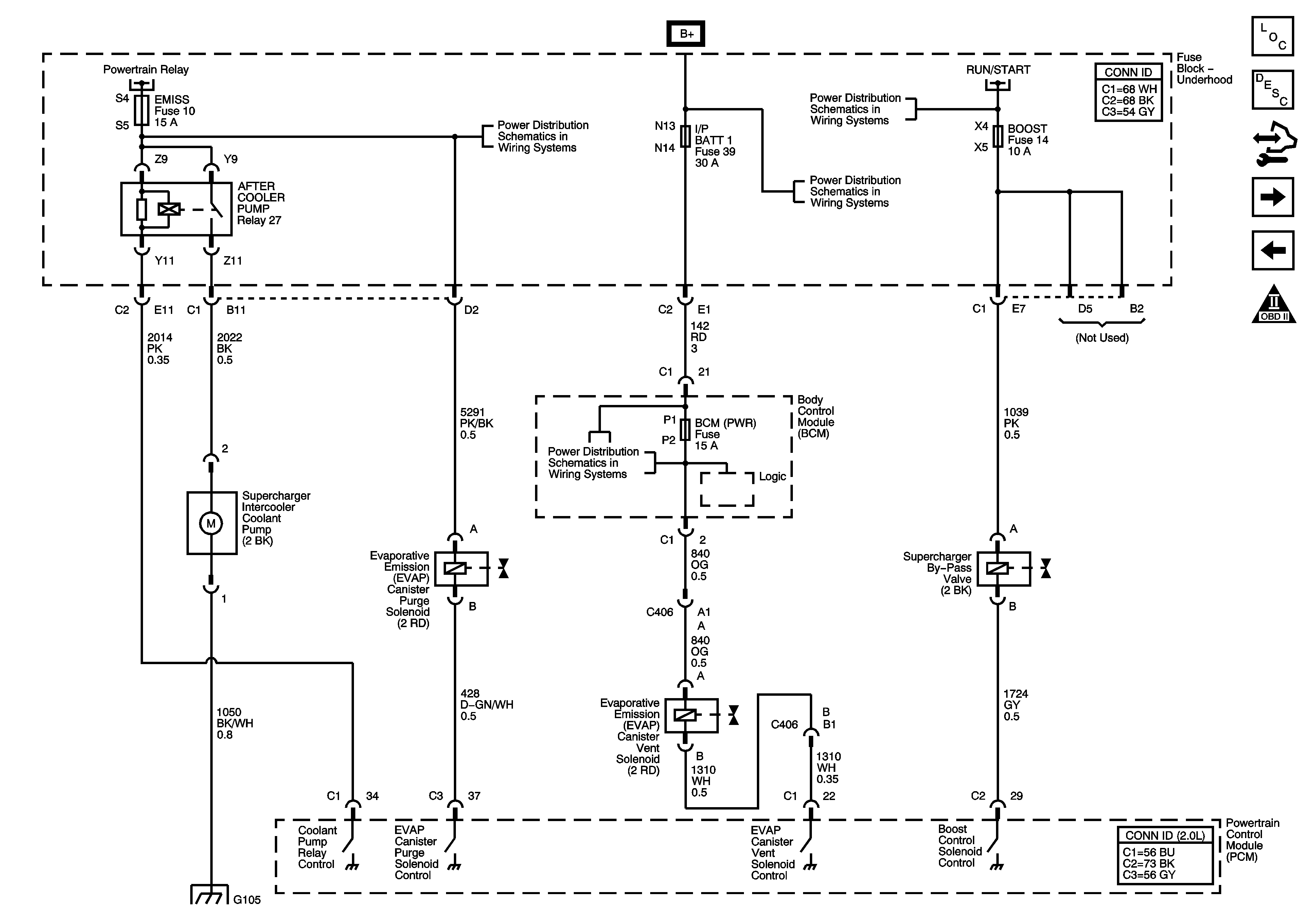
🢒 Engine Data Sensors - EVAP. After Cooler Pump and Super Charger By-Pass Valve - 2.0L
Engine Data Sensors - EVAP. After Cooler Pump and Super Charger By-Pass Valve - 2.0L
EVAP Controls, After Cooler Pump, and Supercharger By-Pass Valve Solenoid
Master Electrical Component List
Supercharger Description and Operation
Control Module References
Controlled/Monitored Subsystem Reference - 2.0L
Fuel Controls - 2.0L
Engine Controls Schematic Icons
Power, Ground, MIL, and Serial Data - 2.0L
COOLING FAN, ECM/ETC, EMISS, INJECTORS, and IGN Fuses, AFTER COOLER PUMP and POWERTRAIN Relays - 2.0L
ABS (10A), BACK UP, BOOST, ECM, TRANS 1, and TRANS 2 Fuses
B+ Bus
BCM (PWR), DASH, IP BATT 1, IP BATT 1A, LIGHTER, ONSTAR, PARK, PWR OUTLET, PWR WINDOWS, RADIO (ACC.), RADIO (BATT), SUN ROOF, and WIPER SW Fuses
G103 and G105 - 2.0L, and G107 - 2.4L