GM Service Manual Online
For 1990-2009 cars only
Makes
🢒
Saturn
🢒
2006
🢒
ION
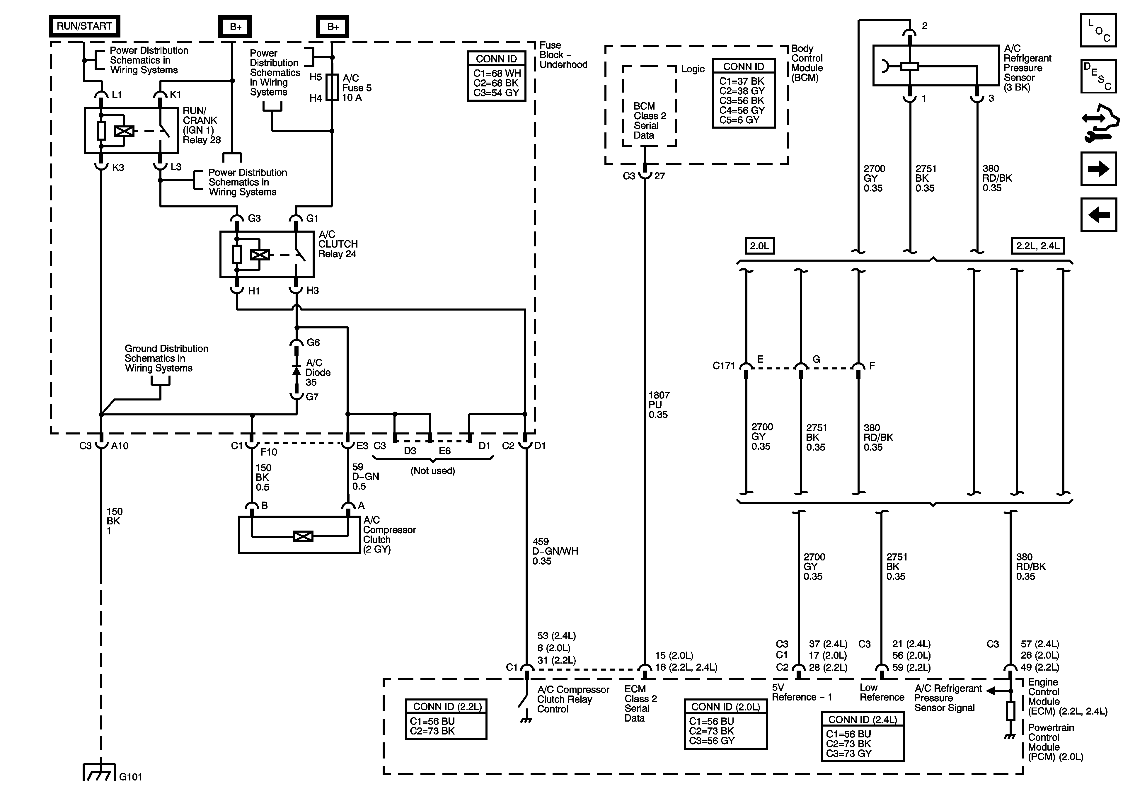
🢒 A/C Compressor Controls (C60)
A/C Compressor Controls (C60)
A/C Compressor Controls - C60
Master Electrical Component List
Air Temperature Description and Operation
Control Module References
Air Recirculation Controls (C60)
Blower Controls
Ignition Switch, RUN/CRANK Fuse, RUN/CRANK (IGN1) Relay
B+ Bus
Ignition Switch, RUN/CRANK Fuse, RUN/CRANK (IGN1) Relay
G101
G101