GM Service Manual Online
For 1990-2009 cars only
Makes
🢒
Saturn
🢒
2006
🢒
ION
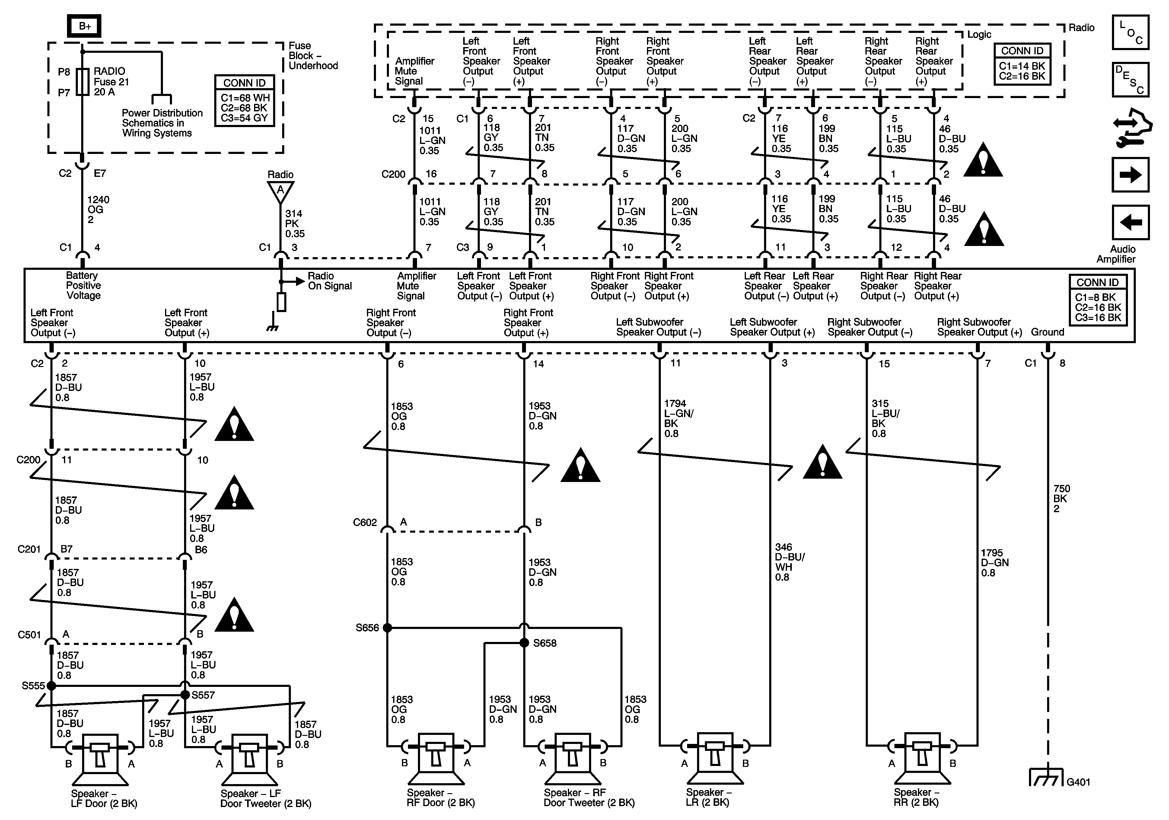
🢒 Radio to Amp to Speakers - UZ6
Radio to Amp to Speakers - UZ6
Radio to Amplifier to Speakers - UZ6
Master Electrical Component List
Radio/Audio System Description and Operation
Control Module References
Digital Radio (U2K)
Speakers (U79/UX7)
B+ Bus
Power and Ground, Signals, and References
Entertainment Schematic Icons
Entertainment Schematic Icons
Entertainment Schematic Icons
Entertainment Schematic Icons
Entertainment Schematic Icons
Entertainment Schematic Icons
Entertainment Schematic Icons
G401