GM Service Manual Online
For 1990-2009 cars only
Makes
🢒
Saturn
🢒
2006
🢒
ION
🢒 Power and Ground, Signals, and References
Power and Ground, Signals, and References
Ground, Power, Signals, and References to Cellular Communications and Lighting
Master Electrical Component List
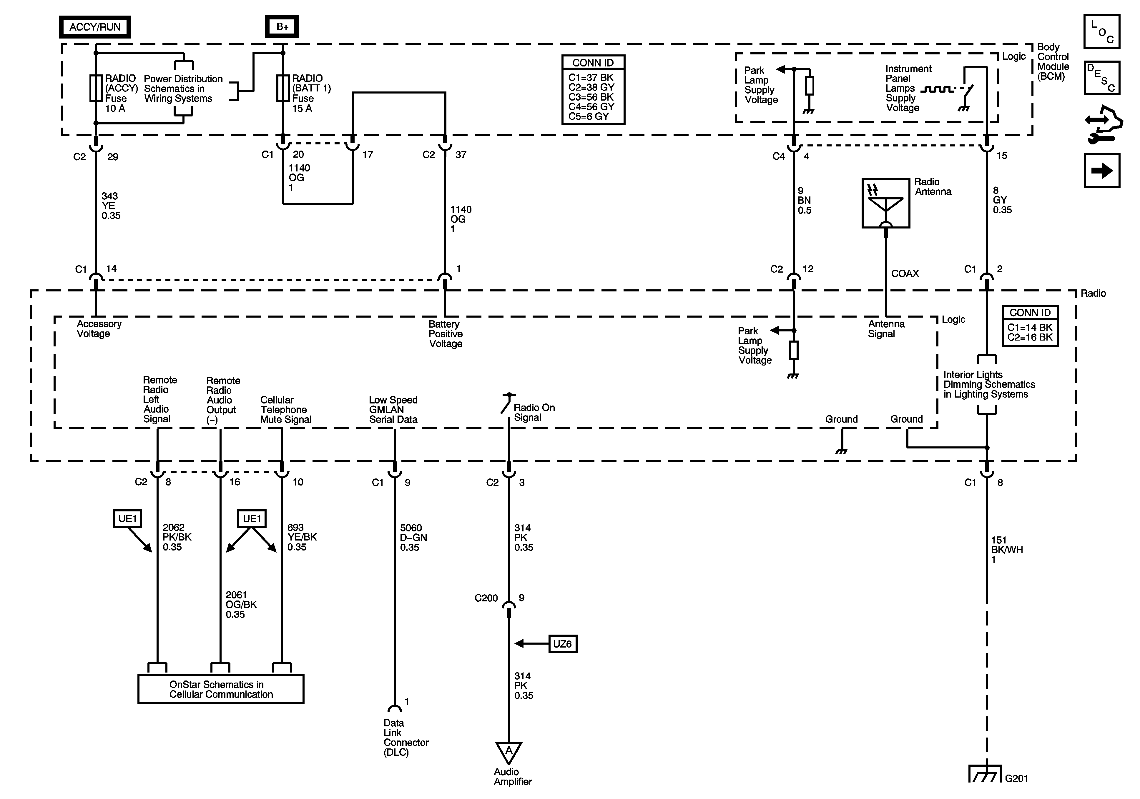
Radio/Audio System Description and Operation
Control Module References
Speakers (U79/UX7)
BCM (PWR), DASH, IP BATT 1, IP BATT 1A, LIGHTER, ONSTAR, PARK, PWR OUTLET, PWR WINDOWS, RADIO (ACC.), RADIO (BATT), SUN ROOF, and WIPER SW Fuses
06 A Sat- Onstar
G201
Turn Signal/Multifunction Switch, Instrument Panel Cluster, I/P Dimmer Switch, Hazard Switch, Fog Lamp Switch, Traction Control Switch and Radio
Radio to Amp to Speakers - UZ6