GM Service Manual Online
For 1990-2009 cars only
Makes
🢒
Saturn
🢒
2006
🢒
ION
🢒 06 A Sat-Engine Cooling 2.4L
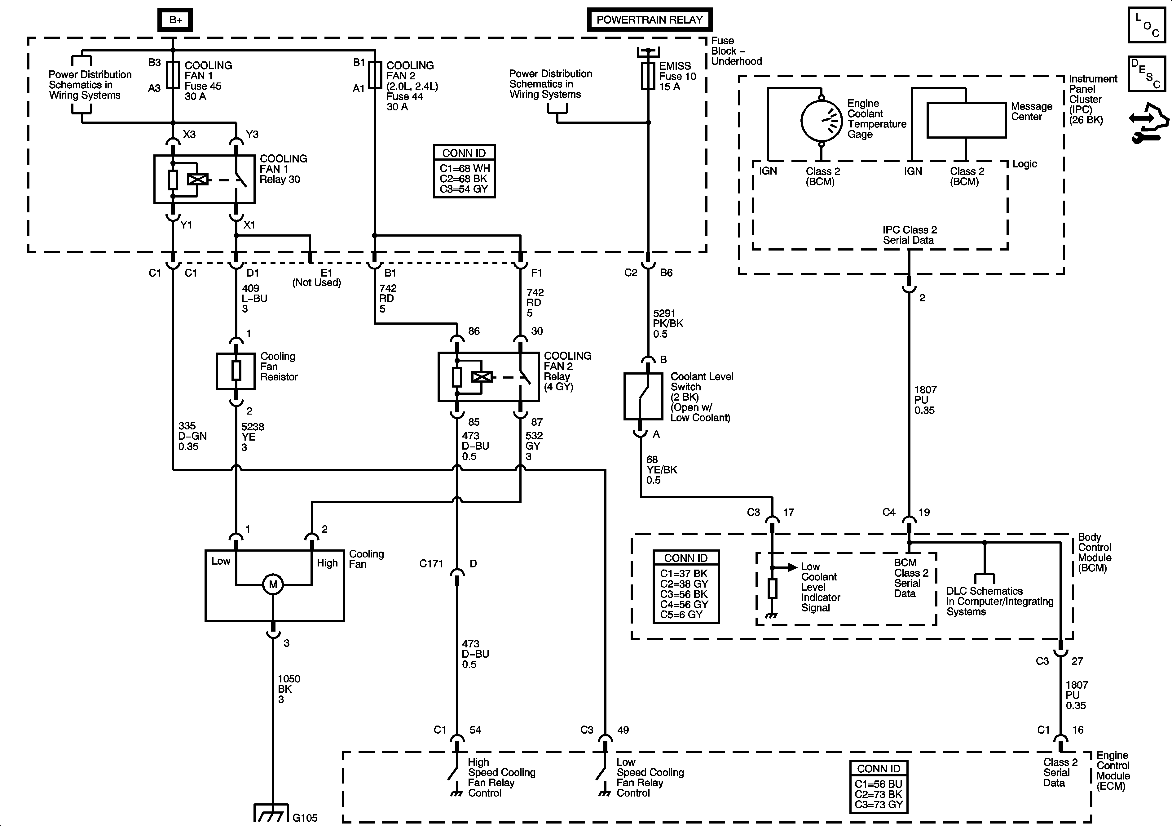
06 A Sat-Engine Cooling 2.4L
Master Electrical Component List
Cooling System Description and Operation
Control Module References
B+ Bus
B+ Bus
DLC Power, Ground, Class 2, and Low Speed GM LAN
G103 and G105 - 2.2L, 2.4L, and G109