GM Service Manual Online
For 1990-2009 cars only
Makes
🢒
Saturn
🢒
2006
🢒
ION
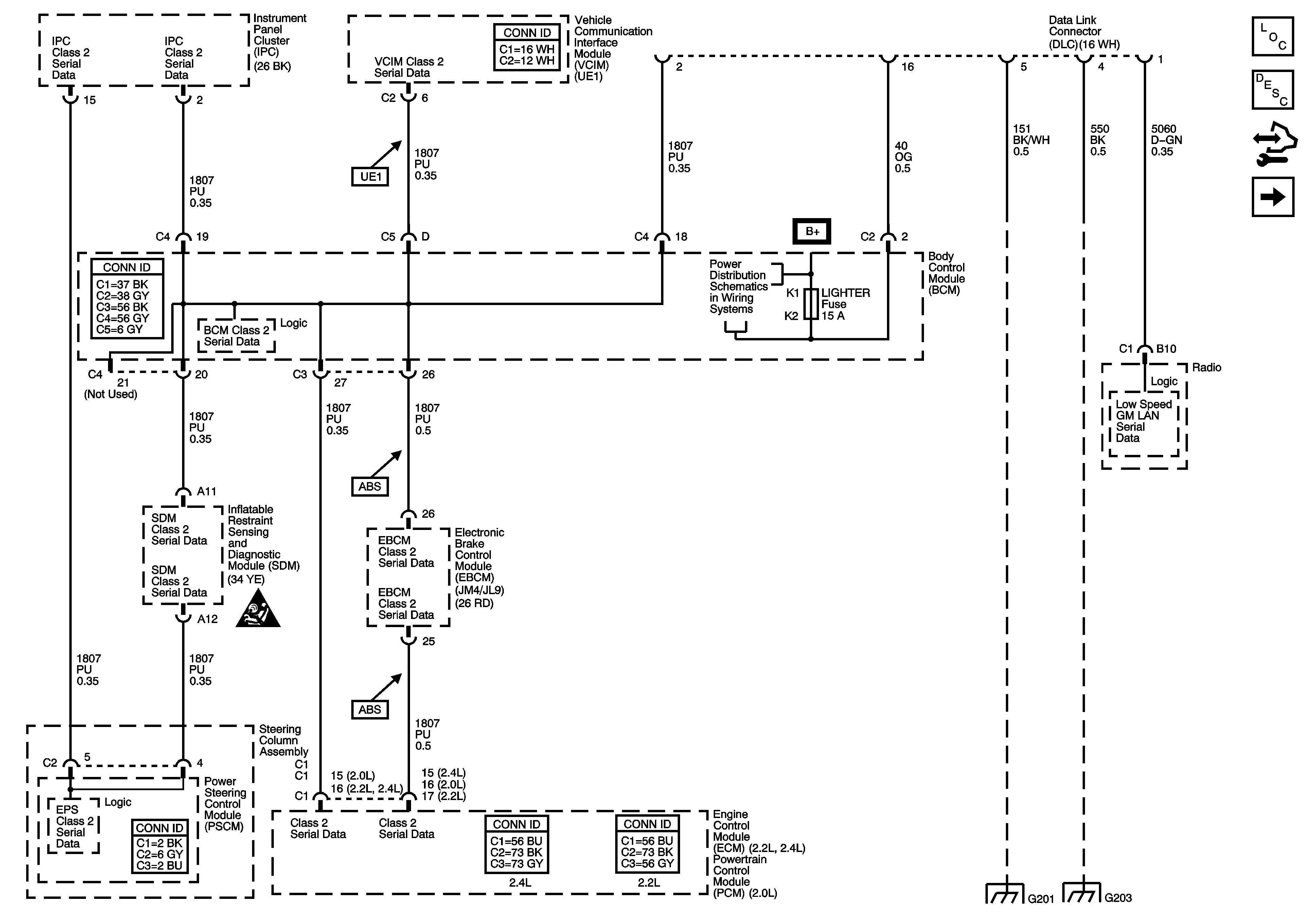
🢒 DLC Power, Ground, Class 2, and Low Speed GM LAN
DLC Power, Ground, Class 2, and Low Speed GM LAN
DLC Power, Ground, Class 2, and Low Speed GM LAN
Master Electrical Component List
Data Link Communications Description and Operation
Control Module References
High Speed GM LAN - 2.2L
Computer/Integrating Systems Schematic Icons
BCM (PWR), DASH, IP BATT 1, IP BATT 1A, LIGHTER, ONSTAR, PARK, PWR OUTLET, PWR WINDOWS, RADIO (ACC.), RADIO (BATT), SUN ROOF, and WIPER SW Fuses
G201
G203