GM Service Manual Online
For 1990-2009 cars only
Makes
🢒
Saturn
🢒
2007
🢒
ION
🢒
Roof
🢒
Sunroof
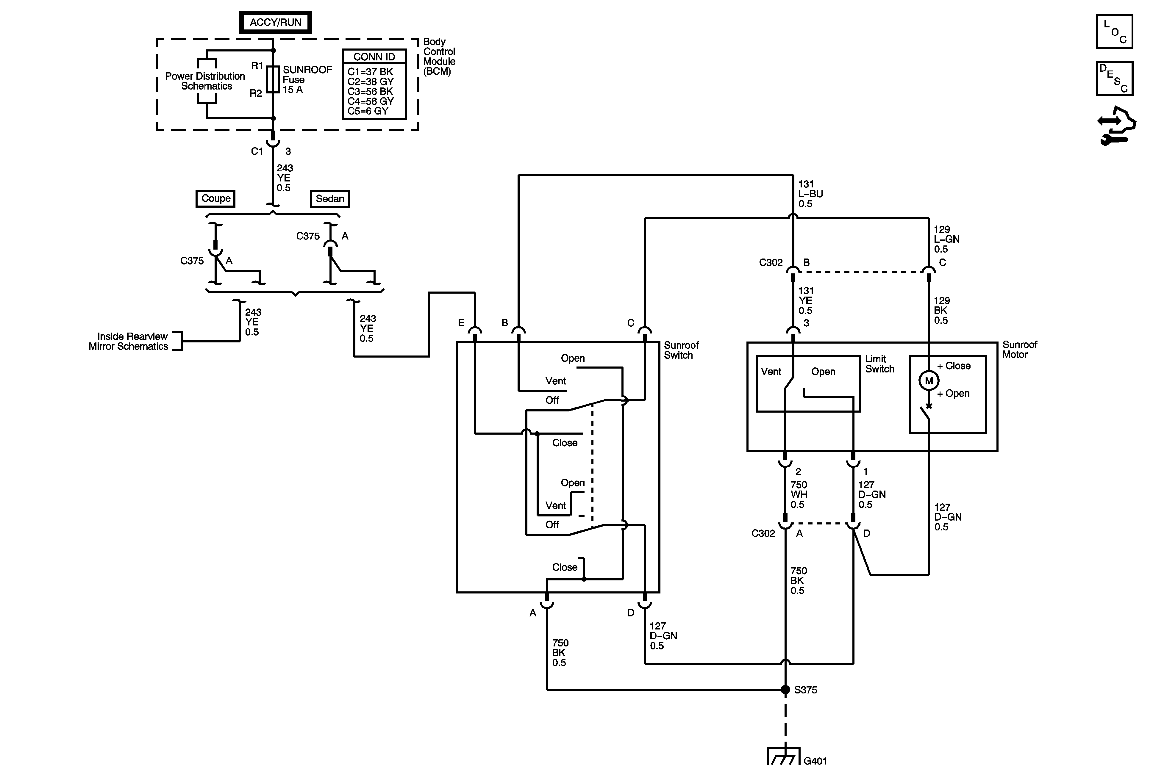
🢒 Sunroof Schematics
Master Electrical Component List
Sunroof Description and Operation
Control Module References
BCM (PWR), DASH, IP BATT 1, IP BATT 1A, LIGHTER, ONSTAR, PARK PWR OUTLET, PWR WINDOWS, RADIO (BATT 1), RADIO (ACCY), SUNROOF, and WIPER SW Fuses
Inside Rearview Mirror Schematics
G401