GM Service Manual Online
For 1990-2009 cars only
Figure 1:

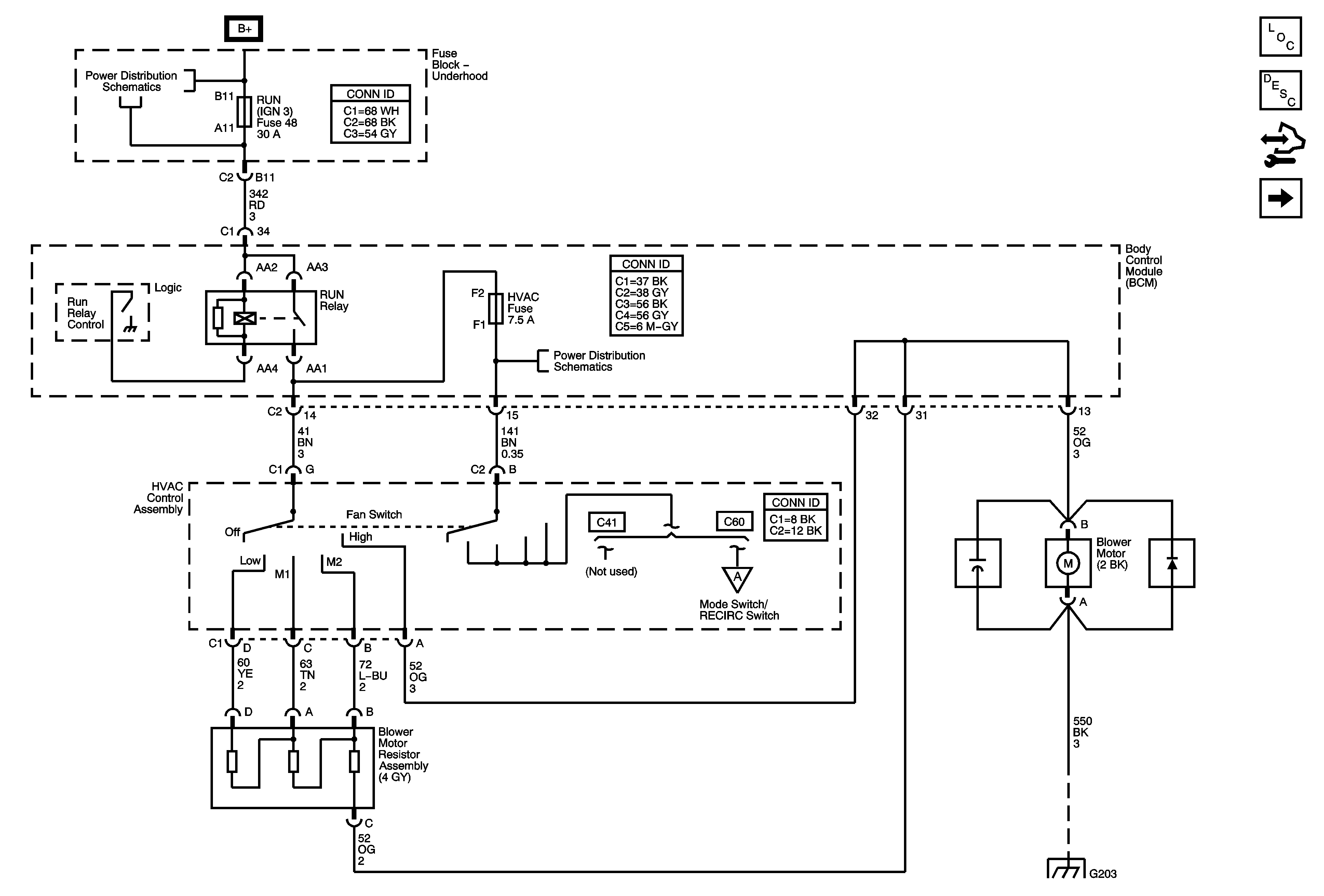
Blower Controls


Object Number: 1768353  Size: FS
Master Electrical Component List
Air Delivery Description and Operation
Control Module References
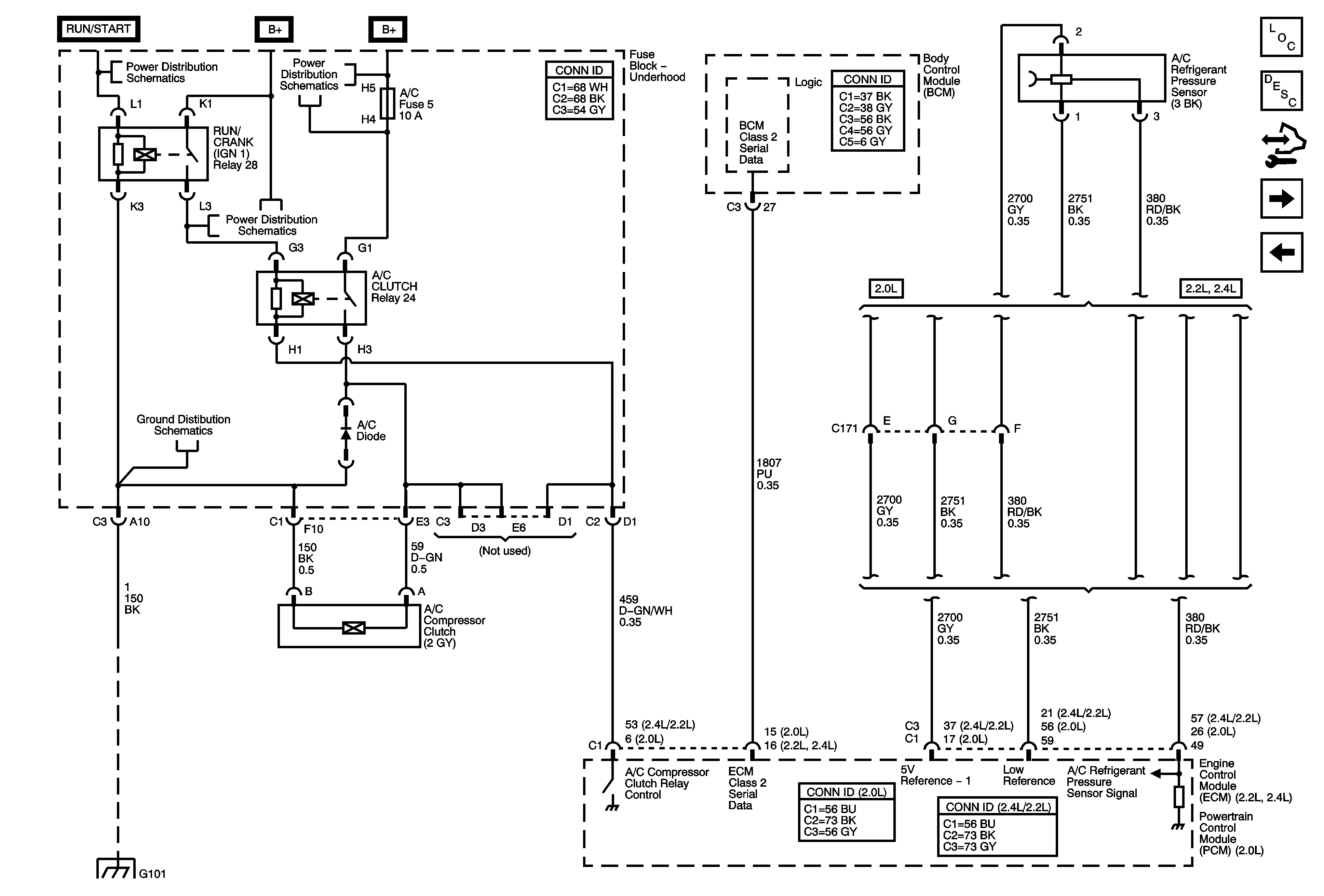
A/C Compressor Controls - C60
BCM, ELECT, CLUSTER/AOS, EPS (60A), FUEL PUMP, HVAC, IGN SW, IP BATT 2, RUN (IGN3), and STOP Fuses, RUN and Fuel Pump Relays
BCM, ELECT, CLUSTER/AOS, EPS (60A), FUEL PUMP, HVAC, IGN SW, IP BATT 2, RUN (IGN3), and STOP Fuses, RUN and Fuel Pump Relays
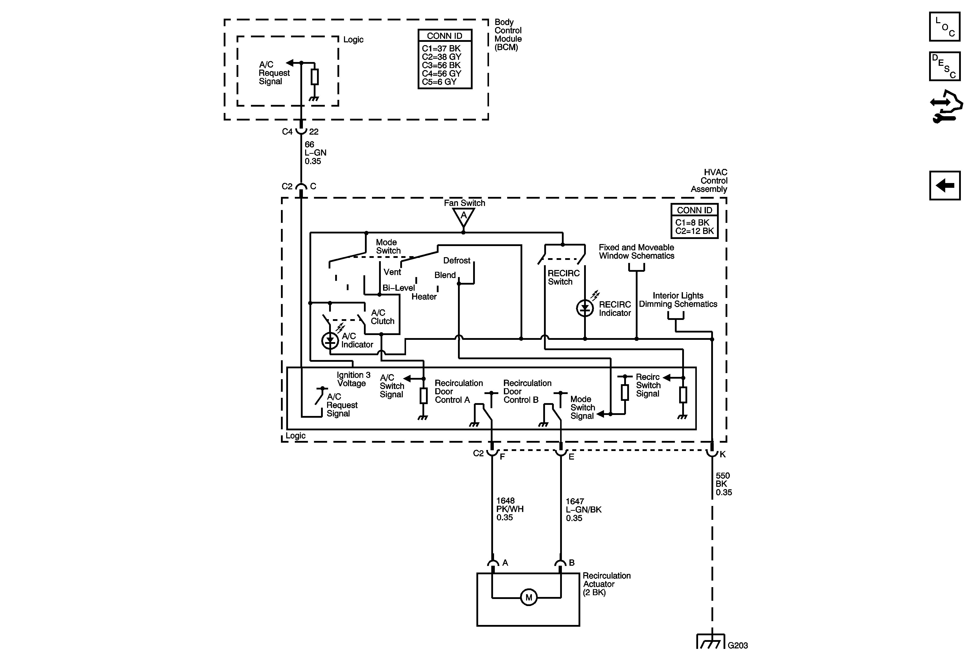
Air Recirculation Controls - C60
G203
Figure 2:

A/C Compressor Controls - C60


Object Number: 1768358  Size: FS
Master Electrical Component List
Air Delivery Description and Operation
Control Module References
Air Recirculation Controls - C60
Blower Controls
Ignition Switch, RUN/CRANK Fuse, RUN/CRANK (IGN1) Relay
B+ Bus
Ignition Switch, RUN/CRANK Fuse, RUN/CRANK (IGN1) Relay
G101
G101
Figure 3:

Air Recirculation Controls - C60


Object Number: 1768371  Size: FS
Master Electrical Component List
Air Delivery Description and Operation
Control Module References
A/C Compressor Controls - C60
Blower Controls
Defogger Schematics
Shift Indicator Module, Boost Gage, A/T Shift Indicator, and HVAC Control Assembly
G203