GM Service Manual Online
For 1990-2009 cars only

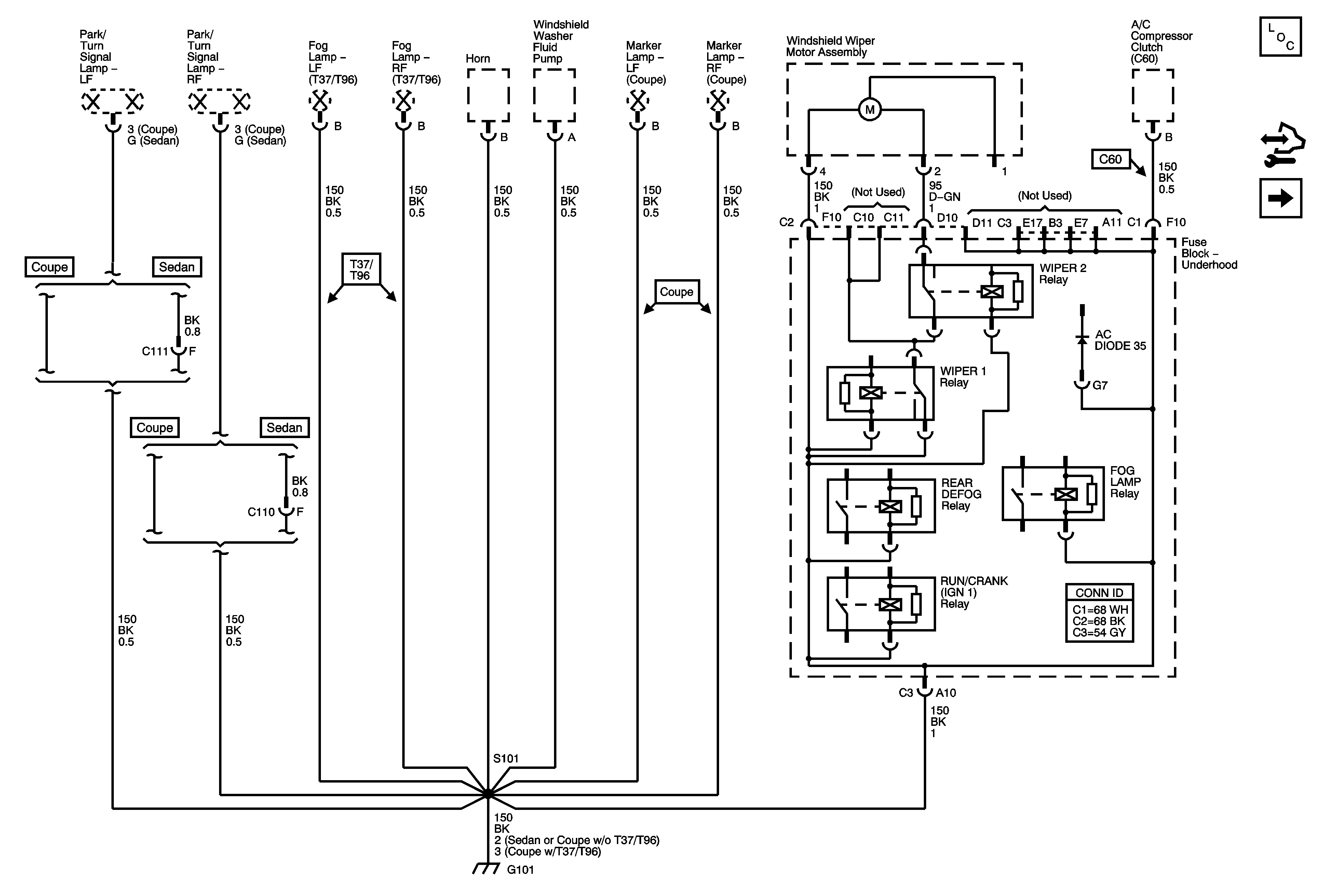
G101

G101


Object Number: 1769441  Size: FS
Master Electrical Component List
Control Module References
G103 and G105 - 2.0L, G107 - 2.2L / 2.4L