GM Service Manual Online
For 1990-2009 cars only
Makes
🢒
Saturn
🢒
2007
🢒
ION
🢒 Pressure, Temperature, and MAF/IAT
Pressure, Temperature, and MAF/IAT
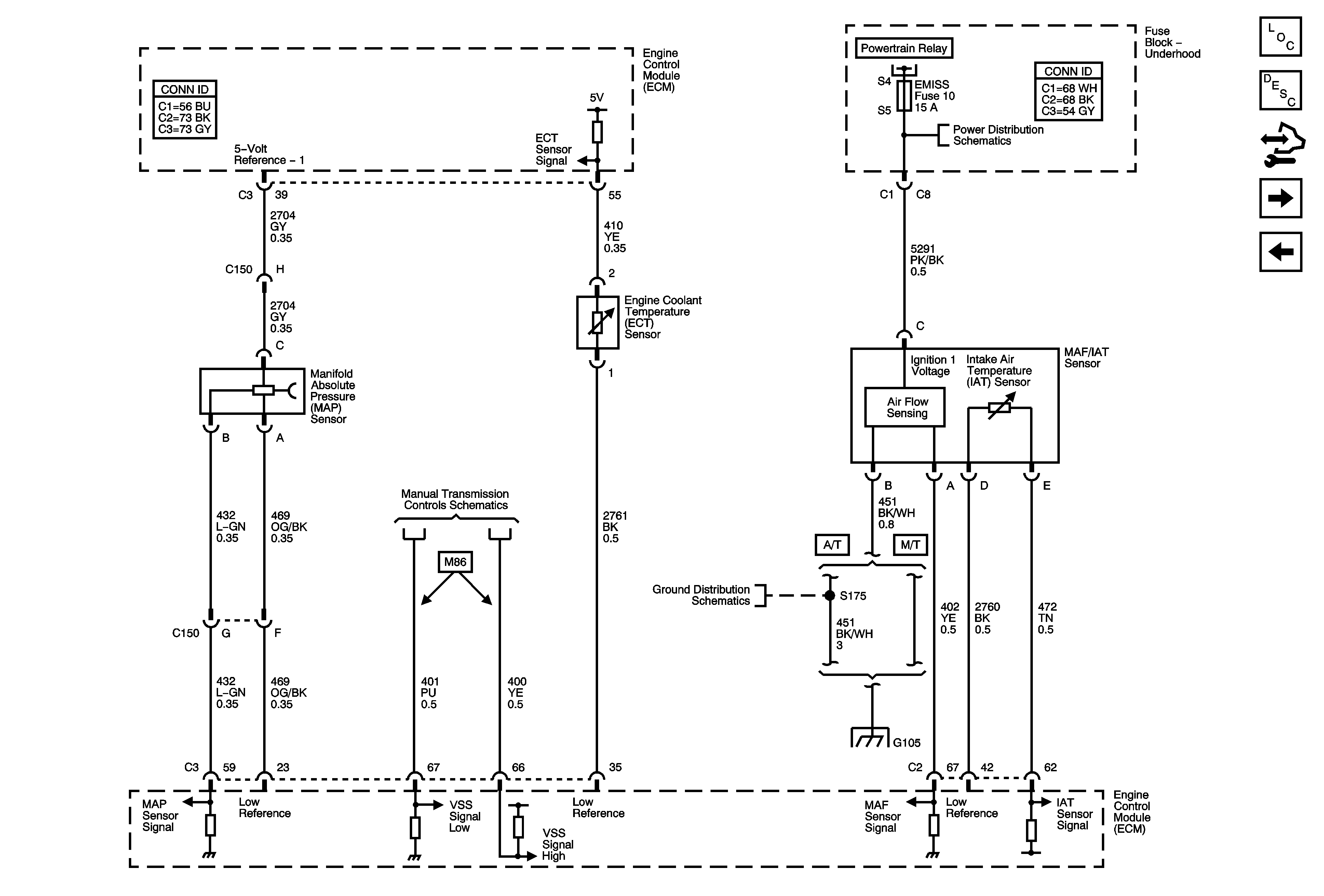
Engine Data Sensors - Pressure, Temperature, and MAF/IAT
Master Electrical Component List
Engine Control Module Description
Control Module References
Engine Data Sensors - HO2S
Engine Data Sensors - 5-Volt and Low References
Power, Ground, MIL, and Serial Data
COOLING FAN 2, ECM/ETC, EMISS, IGN, and INJECTORS Fuses, POWERTRAIN Relay - 2.4L
M86 Getrag
G103, G105 - 2.2L, 2.4L, G109
G103, G105 - 2.2L, 2.4L, G109