GM Service Manual Online
For 1990-2009 cars only
Makes
🢒
Saturn
🢒
2007
🢒
ION
🢒 Engine Data Sensors - Pressure and Temperature
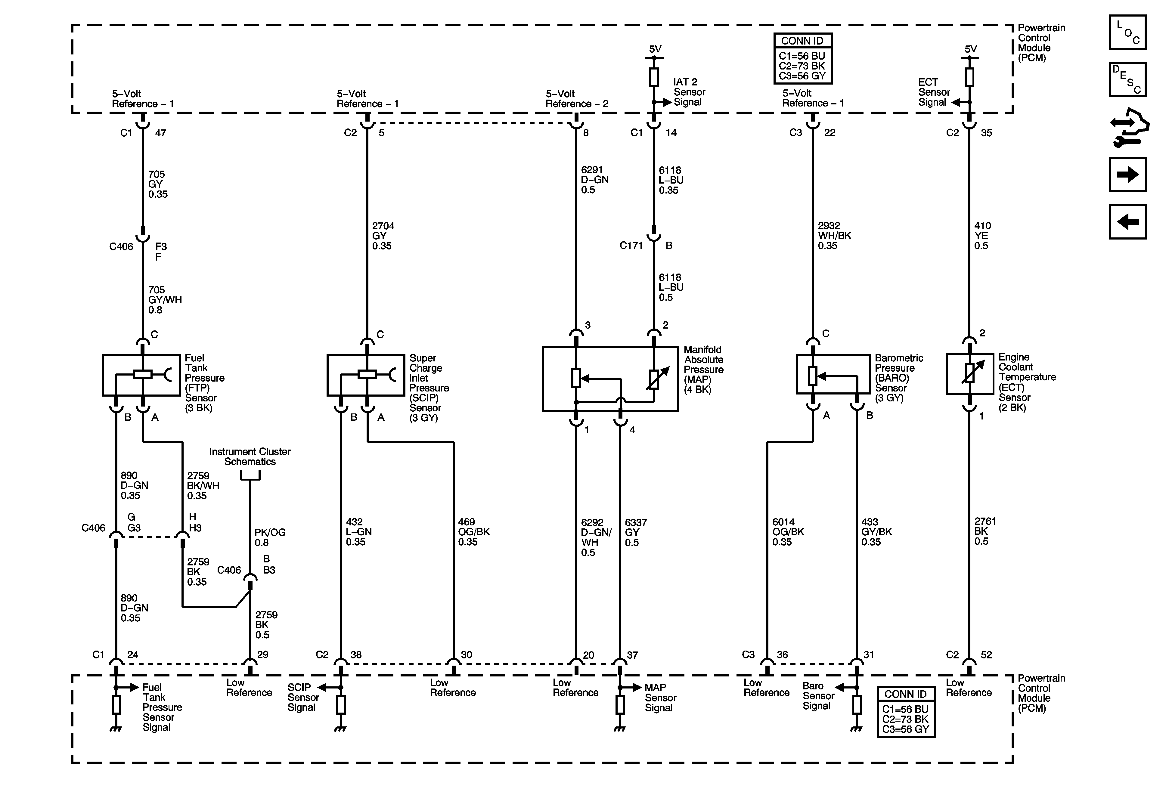
Engine Data Sensors - Pressure and Temperature
Engine Data Sensors - Pressure and Temperature
Master Electrical Component List
Powertrain Control Module Description
Control Module References
Engine Data Sensors - MAF/IAT, CKP, KS, and CMP
Engine Data Sensors - 5-Volt and Low References
Fuel Level and Oil Pressure