GM Service Manual Online
For 1990-2009 cars only
Makes
🢒
Saturn
🢒
2007
🢒
ION
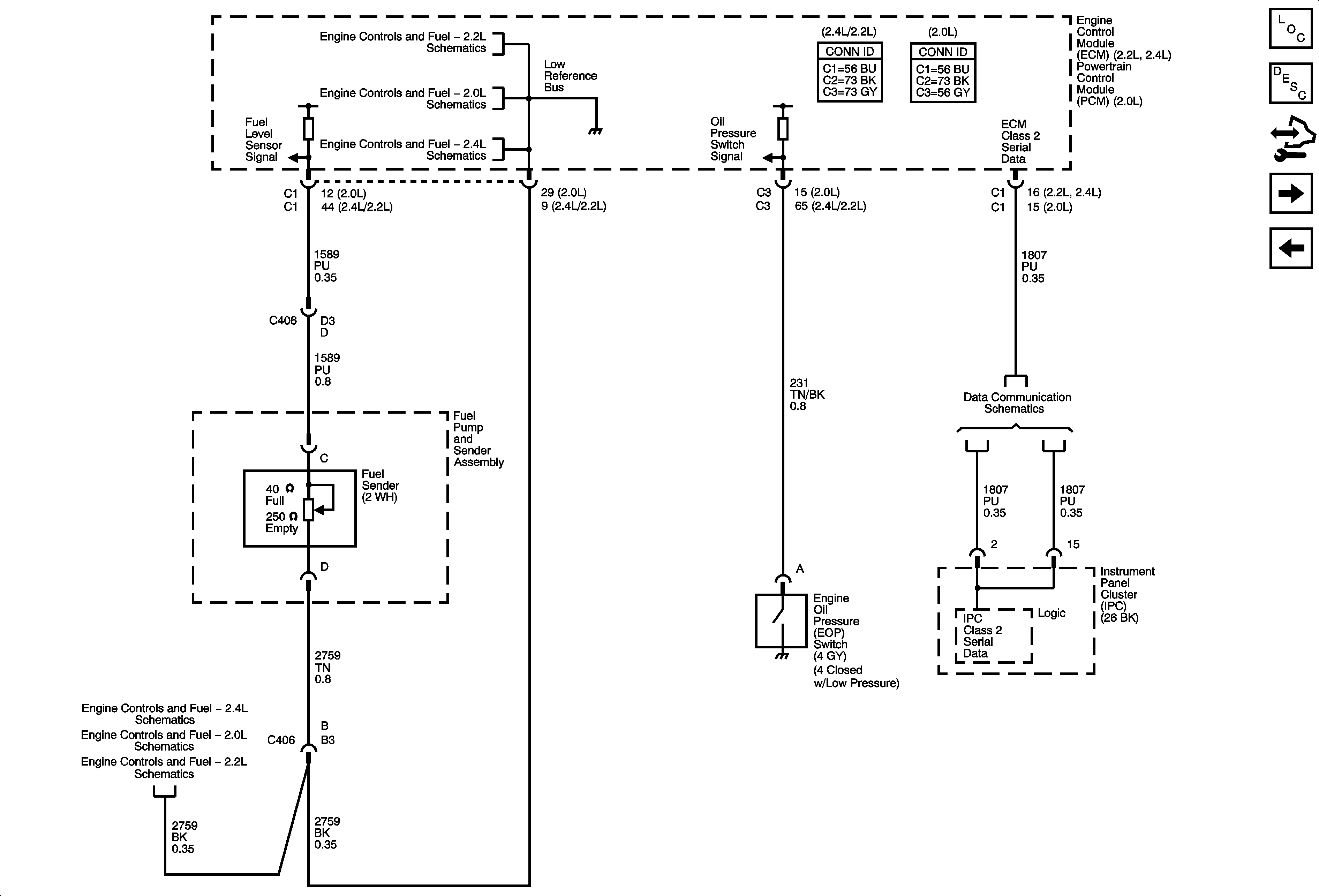
🢒 Fuel Level and Oil Pressure
Fuel Level and Oil Pressure
Fuel Level and Oil Pressure
Master Electrical Component List
Instrument Cluster Description and Operation
Control Module References
Boost Gage - UXE
DLC, Gages, Ground, Indicators, and Power
Engine Data Sensors - 5-Volt and Low Reference
Engine Data Sensors - 5-Volt and Low References
Engine Data Sensors - 5-Volt and Low References
Power, Ground, Class 2, and Low Speed GMLAN
Engine Data Sensors - 5-Volt and Low References
Engine Data Sensors - 5-Volt and Low References
Engine Data Sensors - 5-Volt and Low Reference