GM Service Manual Online
For 1990-2009 cars only
Makes
🢒
Saturn
🢒
2007
🢒
ION
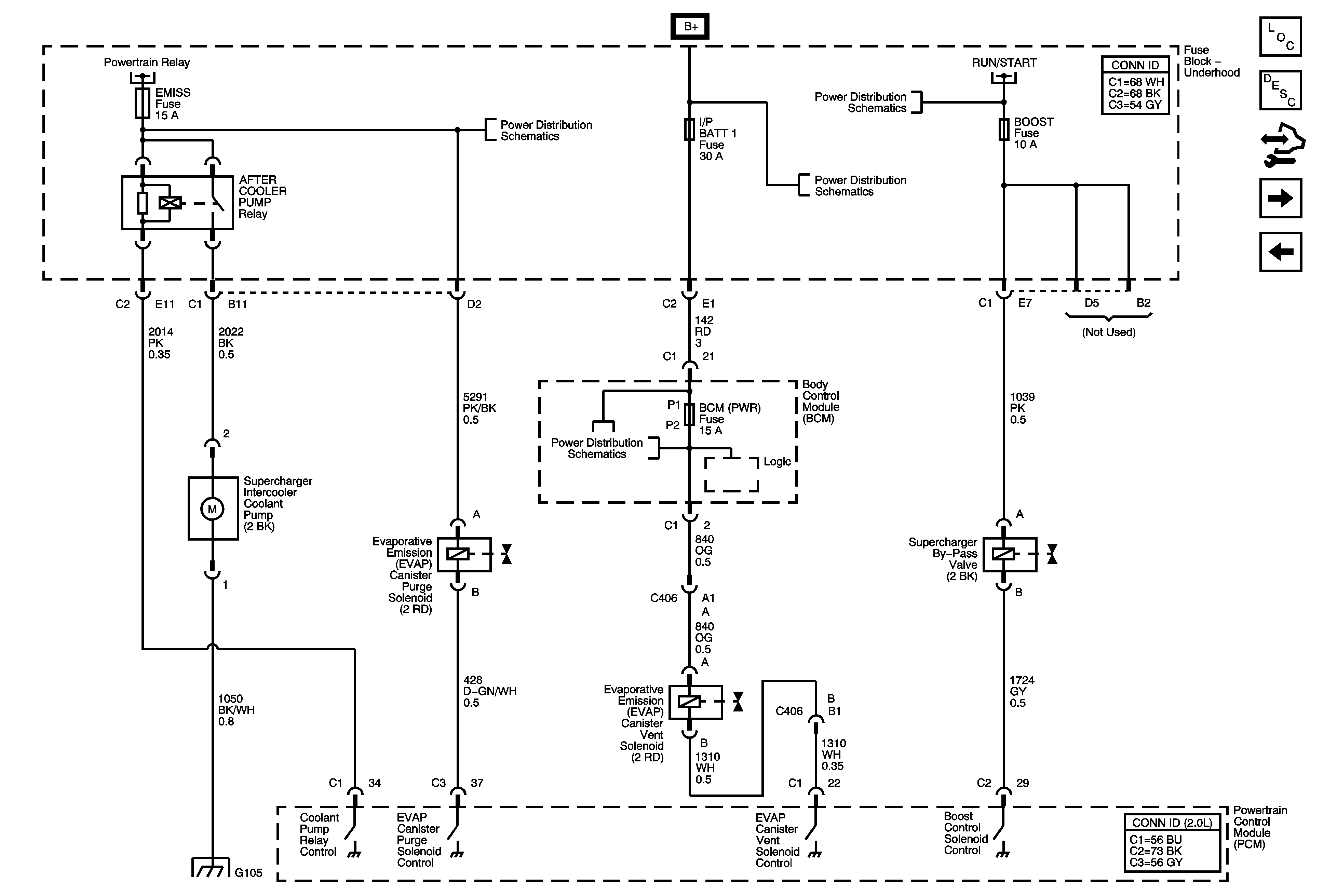
🢒 Engine Data Sensors - EVAP, After Cooler Pump, and Super Charger Bypass Valve
Engine Data Sensors - EVAP, After Cooler Pump, and Super Charger Bypass Valve
Engine Data Sensors - EVAP, After Cooler Pump, and Supercharger Bypass Valve
Master Electrical Component List
Supercharger Description and Operation
Control Module References
Controlled/Monitored Subsystem Reference
Fuel Controls
Cooling Fan, ECM/ETC, EMISS, INJECTORS, IGN Fuses, AFTER COOLER PUMP, and POWERTRAIN Relays - 2.0L
ABS (IOA), BACK UP, BOOST, ECM, TRANS 1, and TRANS 2 Fuses
BCM (PWR), DASH, IP BATT 1, IP BATT 1A, LIGHTER, ONSTAR, PARK PWR OUTLET, PWR WINDOWS, RADIO (BATT 1), RADIO (ACCY), SUNROOF, and WIPER SW Fuses
BCM (PWR), DASH, IP BATT 1, IP BATT 1A, LIGHTER, ONSTAR, PARK PWR OUTLET, PWR WINDOWS, RADIO (BATT 1), RADIO (ACCY), SUNROOF, and WIPER SW Fuses