GM Service Manual Online
For 1990-2009 cars only
Makes
🢒
Saturn
🢒
2007
🢒
ION
🢒 Transmission Solenoids and AT OSS Sensor
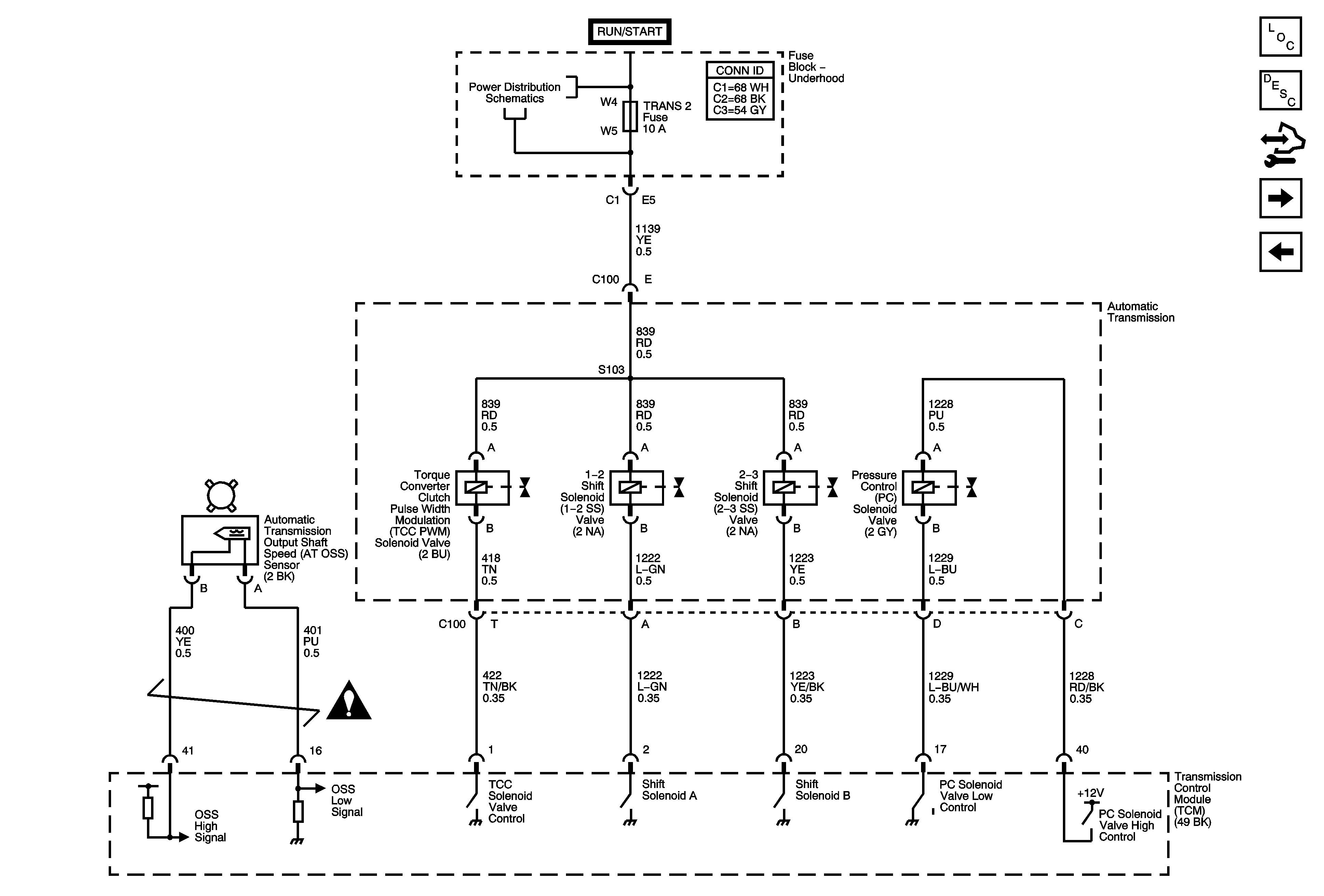
Transmission Solenoids and AT OSS Sensor
Transmission Solenoids and AT OSS Sensor
Master Electrical Component List
Transmission General Description
Control Module References
Transmission Switches, TFT Sensor, and AT ISS Sensor
Accessory Voltage, Stop Lamp Switch, and Serial Data
ABS (IOA), BACK UP, BOOST, ECM, TRANS 1, and TRANS 2 Fuses
Automatic Transmission Schematic Icons