GM Service Manual Online
For 1990-2009 cars only
Makes
🢒
Saturn
🢒
2007
🢒
ION
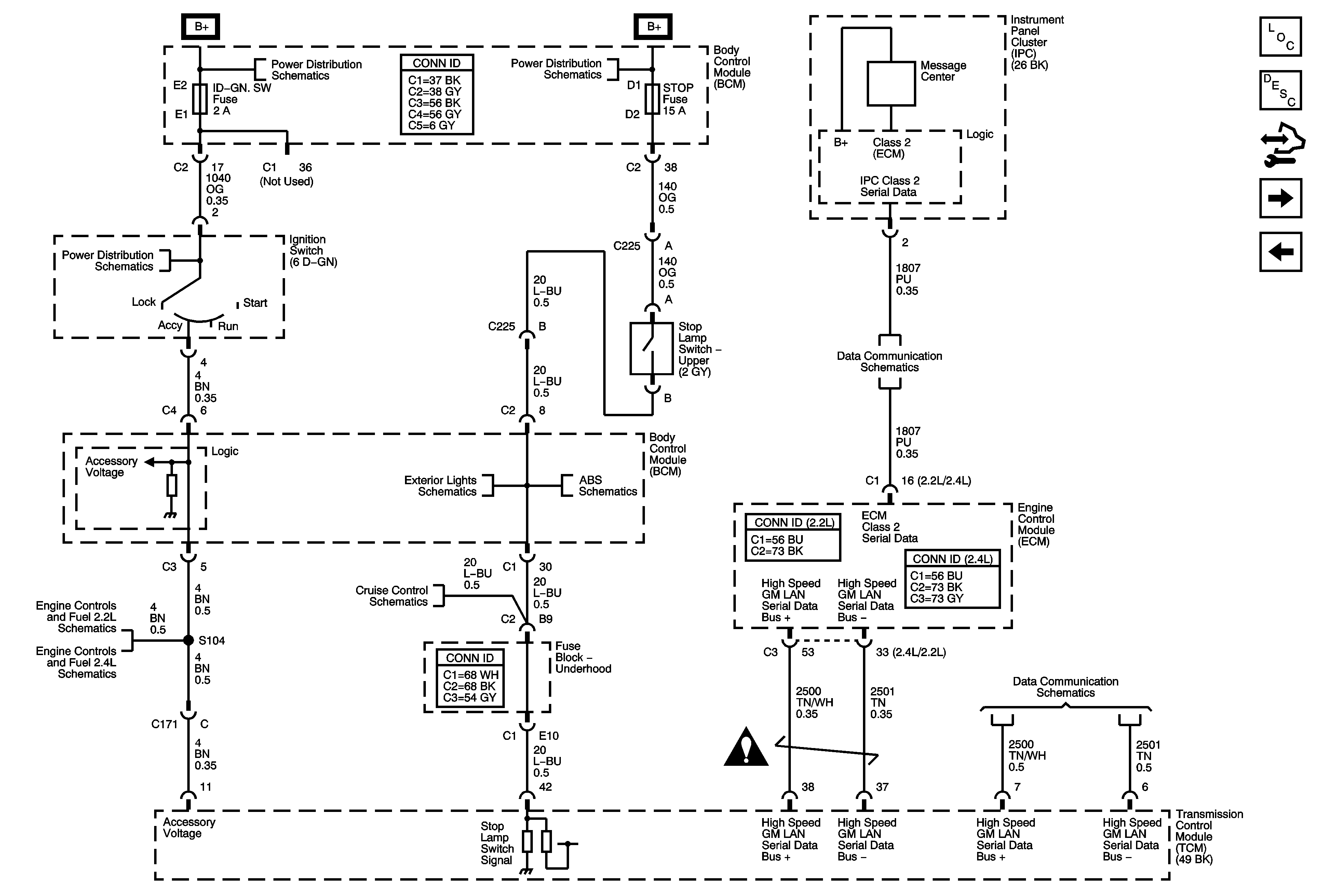
🢒 Accessory Voltage, Stop Lamp Switch, and Serial Data
Accessory Voltage, Stop Lamp Switch, and Serial Data
Accessory Voltage, Stop Lamp Switch, and Serial Data
Master Electrical Component List
Transmission General Description
Control Module References
Transmission Solenoids and AT OSS Sensor
TCM Power, Ground, and PNP Switch
B+ Bus
BCM, ELECT, CLUSTER/AOS, EPS (60A), FUEL PUMP, HVAC, IGN SW, IP BATT 2, RUN (IGN3), and STOP Fuses, RUN and Fuel Pump Relays
Ignition Switch, RUN/CRANK Fuse, RUN/CRANK (IGN1) Relay
Power, Ground, Class 2, and Low Speed GMLAN
Stop Lamps
Traction Control, DLC, and Indicators
Power, Ground, MIL, and Serial Data
Power, Ground, MIL, and Serial Data
Stop Lamp and Clutch Switches
Automatic Transmission Schematic Icons
High Speed GMLAN - 2.2L, 2.4L