GM Service Manual Online
For 1990-2009 cars only
Makes
🢒
Saturn
🢒
2007
🢒
ION
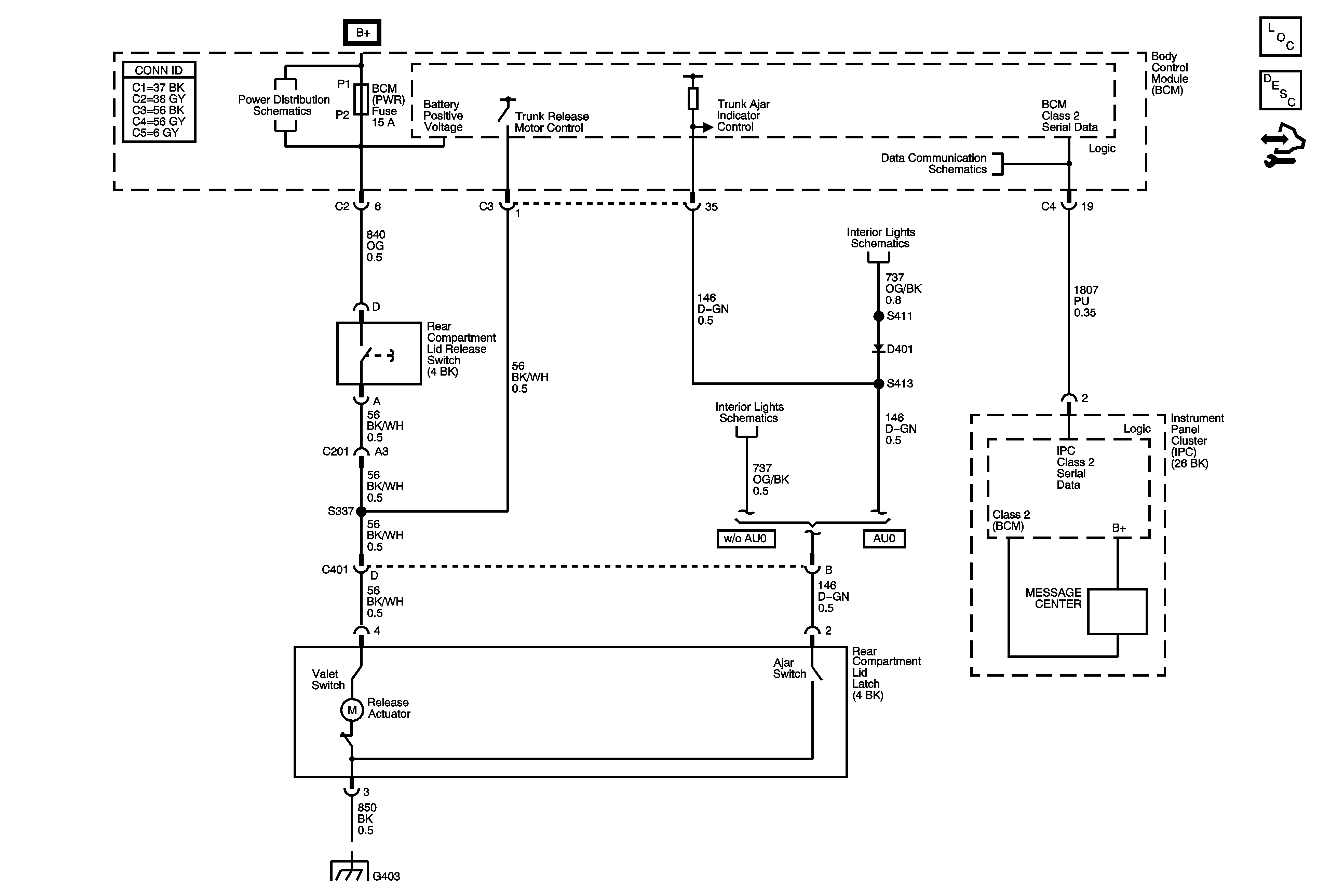
🢒 Rear Compartment Release Schematics
Rear Compartment Release Schematics
Rear Compartment Release Schematics
Master Electrical Component List
Luggage Compartment Description and Operation
Control Module References
BCM (PWR), DASH, IP BATT 1, IP BATT 1A, LIGHTER, ONSTAR, PARK PWR OUTLET, PWR WINDOWS, RADIO (BATT 1), RADIO (ACCY), SUNROOF, and WIPER SW Fuses
Power, Ground, Class 2, and Low Speed GMLAN
Interior Lights Schematics
G403, G502