GM Service Manual Online
For 1990-2009 cars only
Makes
🢒
Saturn
🢒
2007
🢒
ION
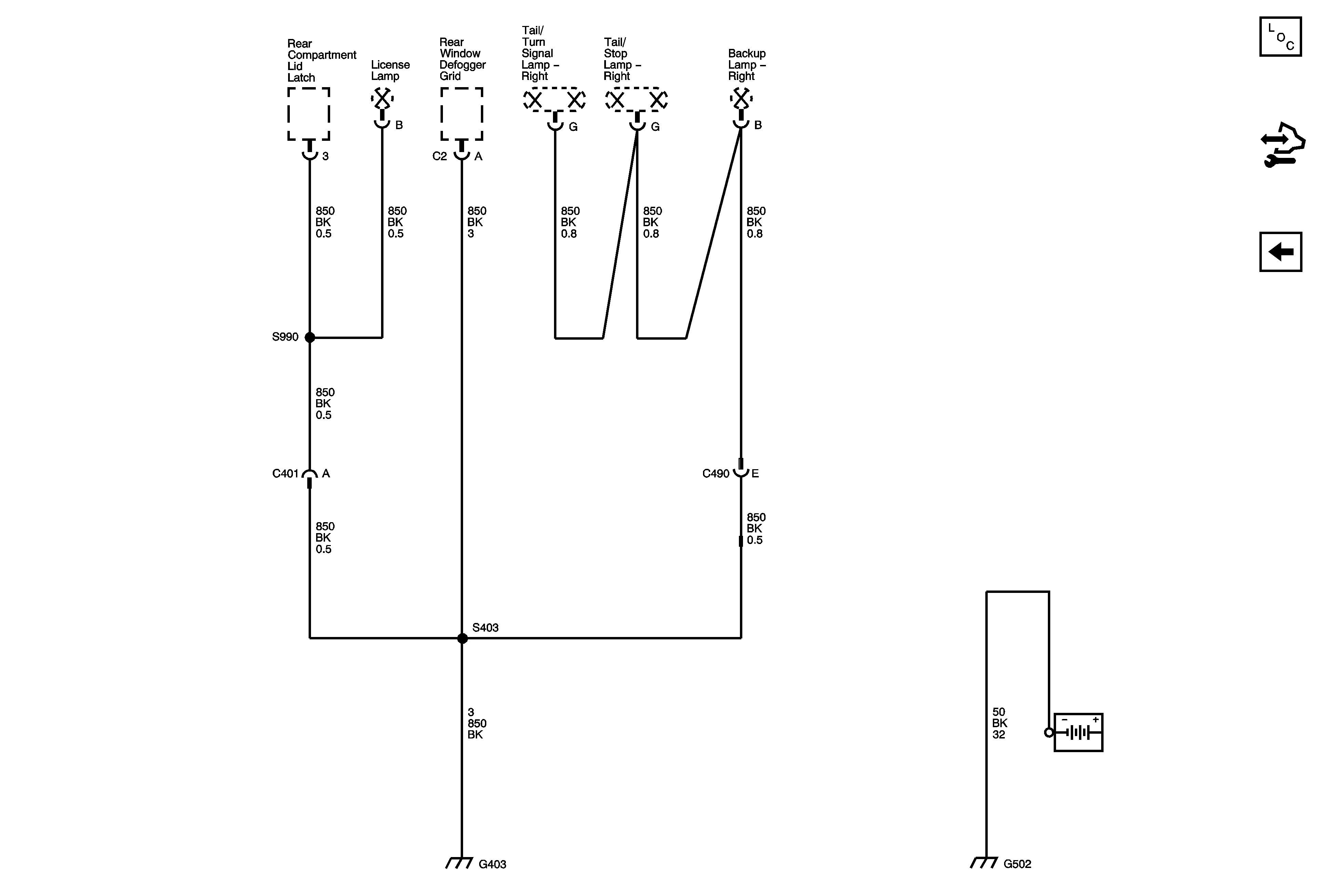
🢒 G403, G502
G403, G502
G403 and G502
Master Electrical Component List
Control Module References
G401