GM Service Manual Online
For 1990-2009 cars only
Makes
🢒
Saturn
🢒
2007
🢒
ION
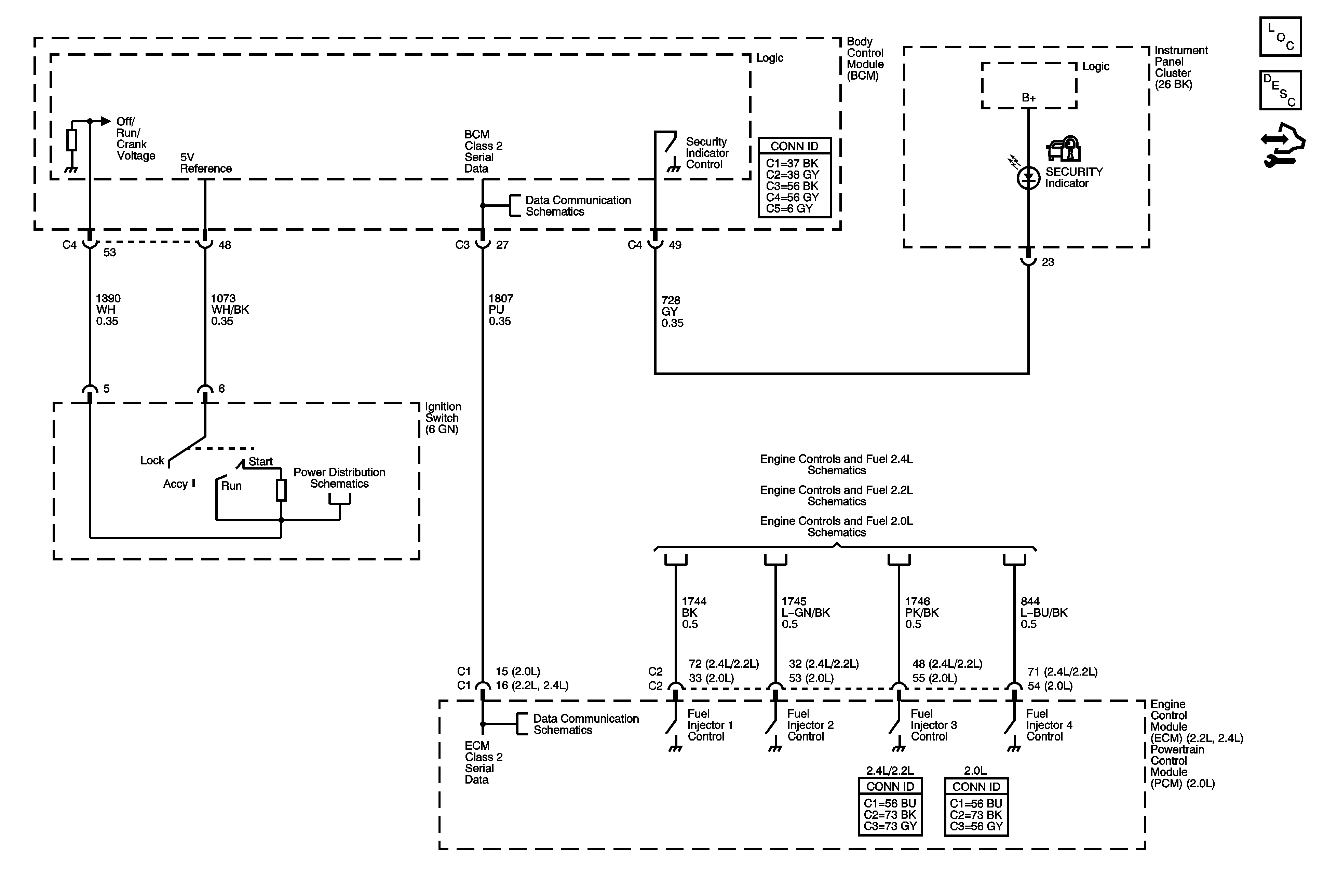
🢒 Vehicle Theft Deterrent
Vehicle Theft Deterrent
Vehicle Theft Deterrent
Master Electrical Component List
Immobilizer Description and Operation
Control Module References
Fuel Controls
Fuel Controls
Fuel Controls
Power, Ground, Class 2, and Low Speed GMLAN