GM Service Manual Online
For 1990-2009 cars only
Makes
🢒
Saturn
🢒
2007
🢒
ION
🢒 Indicators and Power
Indicators and Power
Indicators and Power
Master Electrical Component List
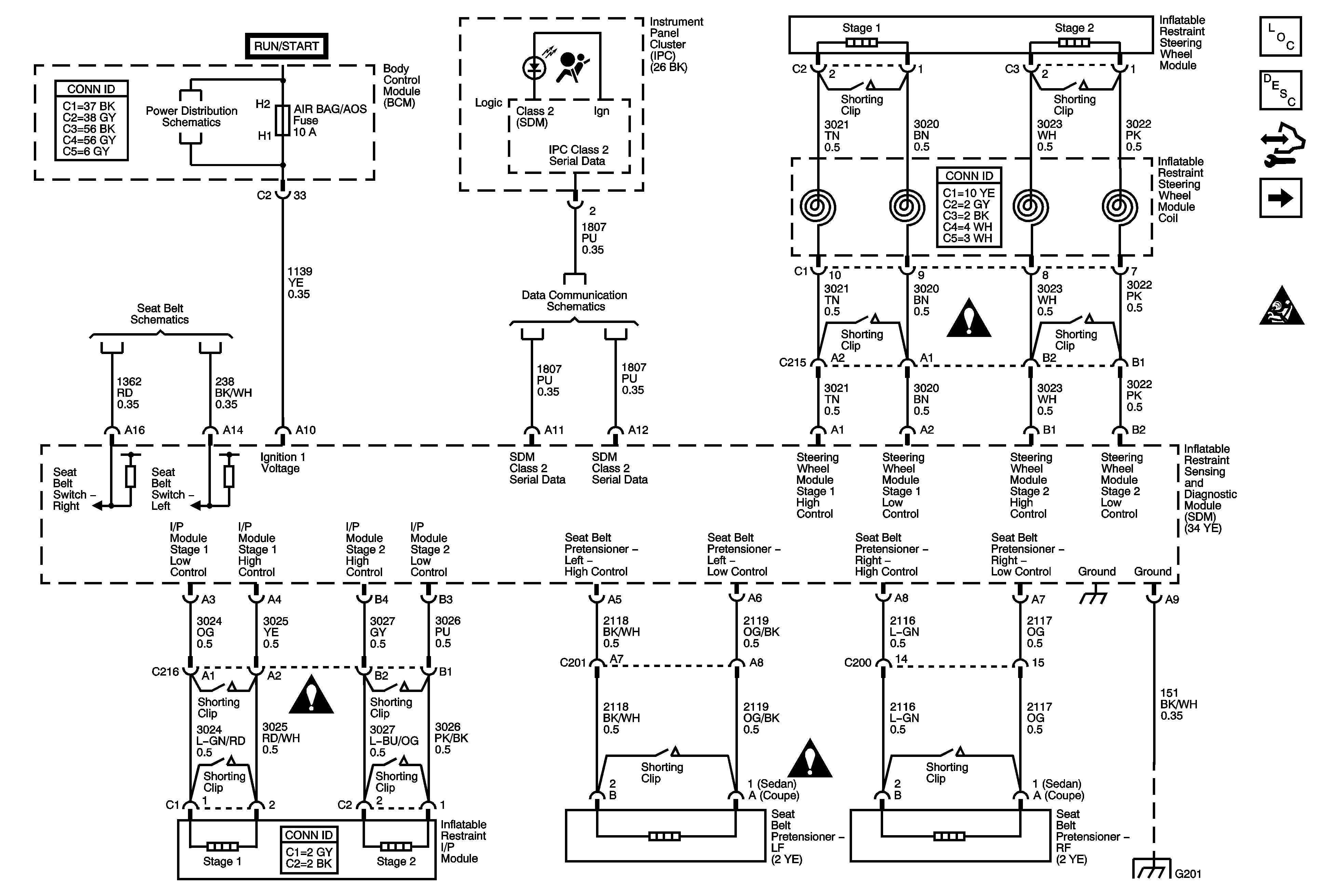
SIR System Description and Operation
Control Module References
Side Impact ASF
SIR Schematic Icons
AIR BAG/AOS, CLUTCH/BRAKE/AOS, EPS/CRUISE Fuses
Seat Belt Schematics
Power, Ground, Class 2, and Low Speed GMLAN
SIR Schematic Icons
SIR Schematic Icons
SIR Schematic Icons
G201