GM Service Manual Online
For 1990-2009 cars only
Makes
🢒
Saturn
🢒
2007
🢒
ION
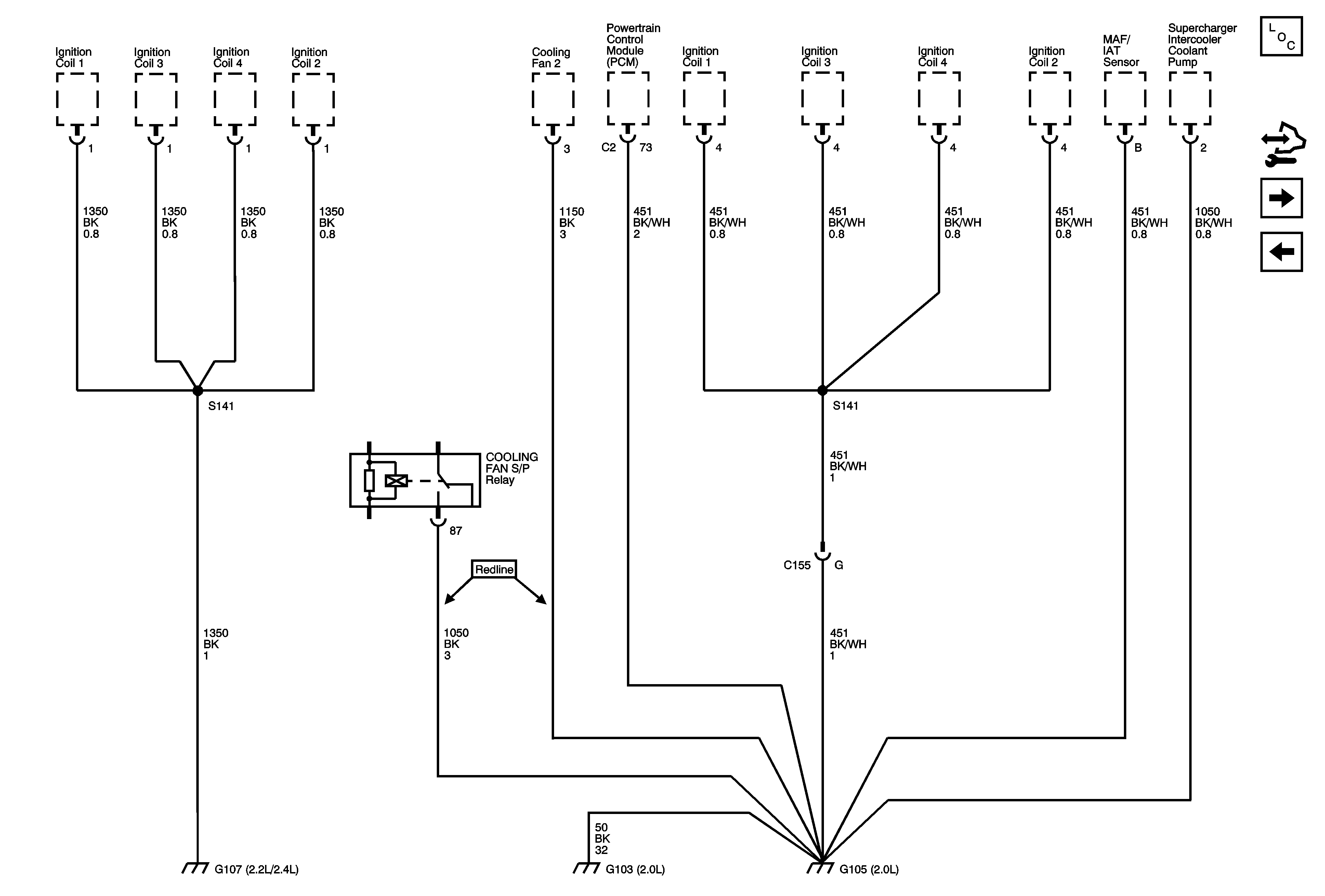
🢒 G103 and G105 - 2.0L, G107 - 2.2L / 2.4L
G103 and G105 - 2.0L, G107 - 2.2L / 2.4L
G103 and G105 - 2.0L, G107 - 2.2L / 2.4L
Master Electrical Component List
Control Module References
G103, G105 - 2.2L, 2.4L, G109
G101