GM Service Manual Online
For 1990-2009 cars only
Makes
🢒
Saturn
🢒
2003
🢒
L200/LW200
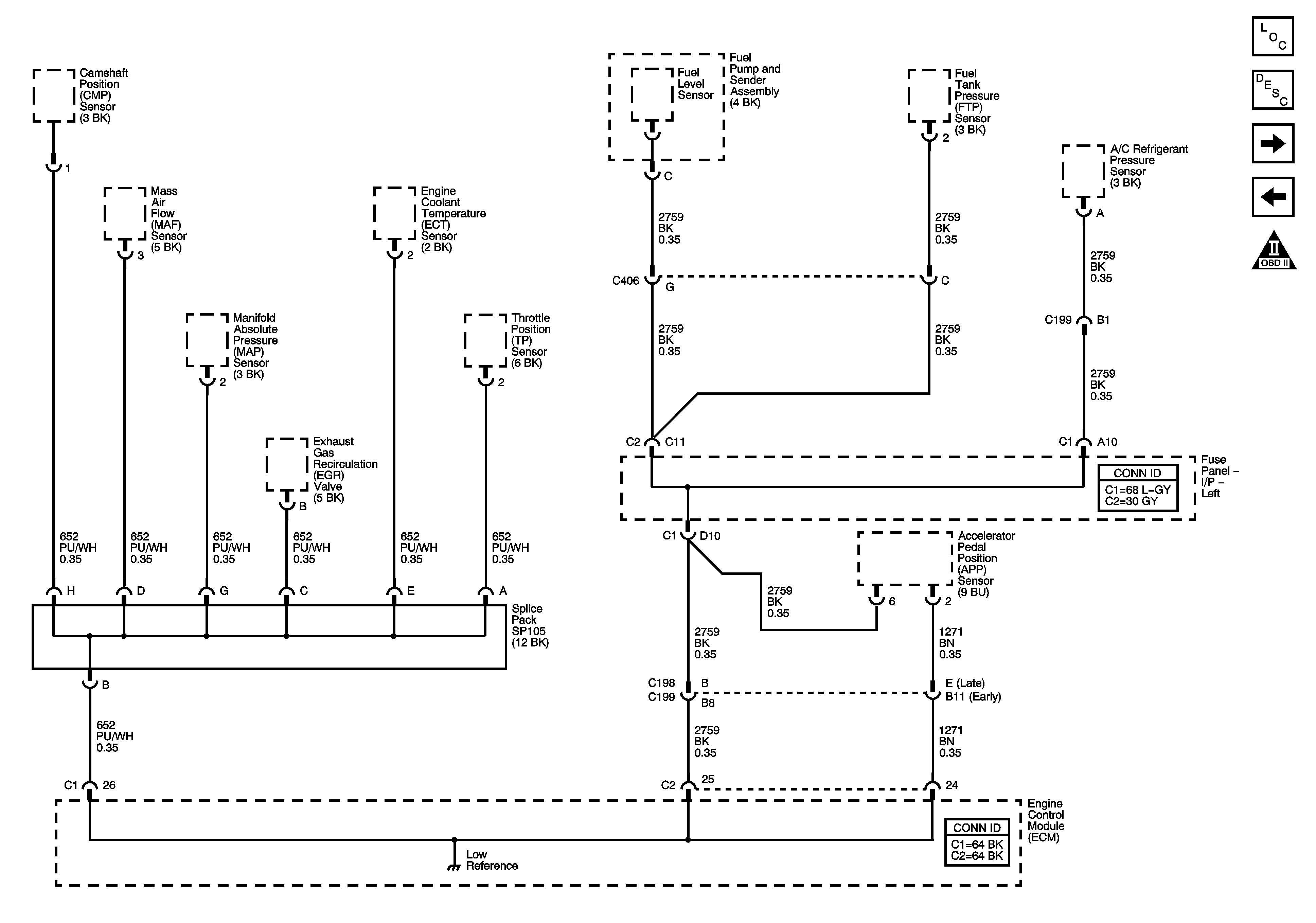
🢒 Engine Data Sensors- Low References
Engine Data Sensors- Low References
Engine Data Sensors - Low References
Master Electrical Component List
Engine Control Module Description
Engine Data Sensors- Pressure, Temp, VSS w/o ABS
Engine Data Sensors- 5 Volt References
OBD II Symbol Description Notice