GM Service Manual Online
For 1990-2009 cars only
Makes
🢒
Saturn
🢒
2003
🢒
L200/LW200
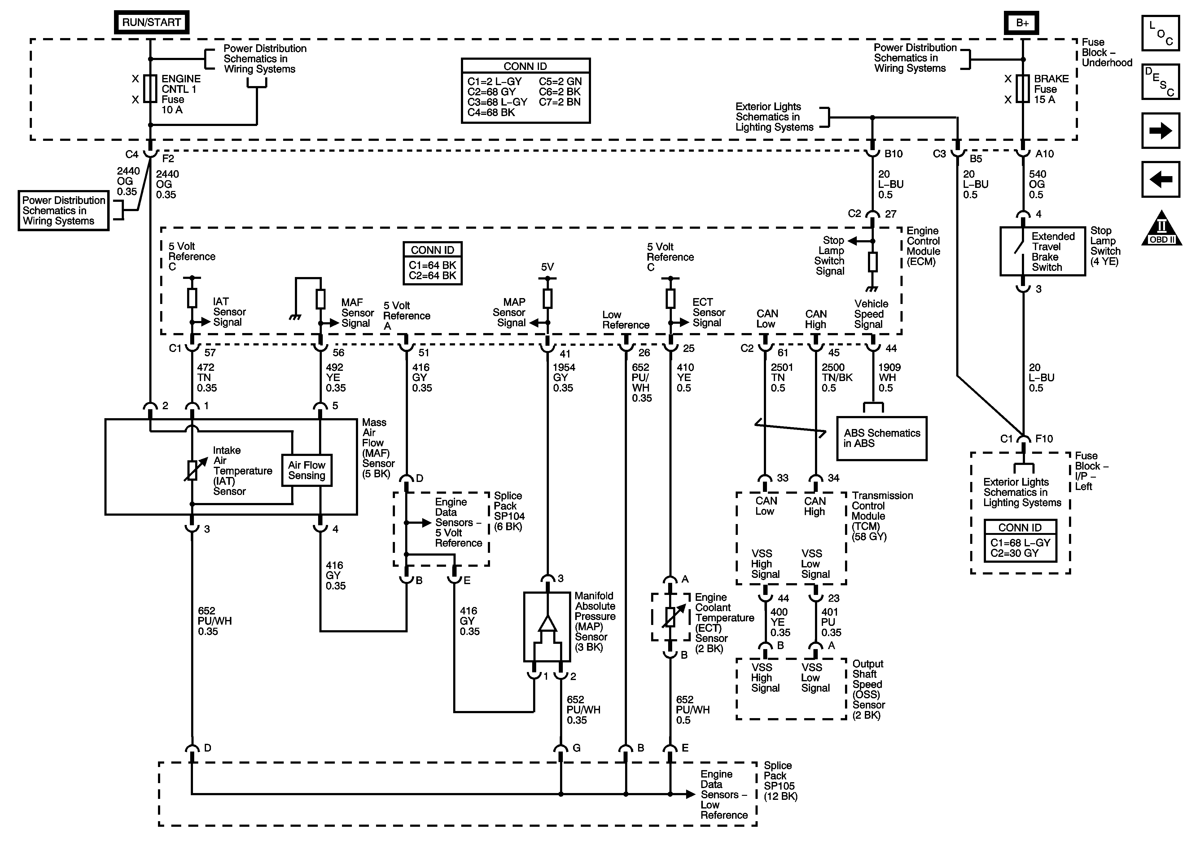
🢒 Engine Data Sensors- Pressure, Temp, VSS w/o ABS
Engine Data Sensors- Pressure, Temp, VSS w/o ABS
Engine Data Sensors - Pressure, Temperature, VSS w/ ABS
Master Electrical Component List
Air Intake System Description
Engine Data Sensors- Pressure, Temp, VSS- w/o ABS
Engine Data Sensors- Low References
OBD II Symbol Description Notice
Fuse Block-Underhood : AC, Fuel Pump, ENG Control1, ENG Control2 and ENG Control3
Stop Lamps
Fuse Block-Underhood : Cooling Fan2, Cooling Fan1, ABS1, ABS2, Park Lamp, Hazard, Brake and Controls B+
Engine Data Sensors- 5 Volt References
Wheel Speed Sensors
Stop Lamps
Engine Data Sensors- Low References