GM Service Manual Online
For 1990-2009 cars only
Makes
🢒
Saturn
🢒
2003
🢒
L200/LW200
🢒 Ignition System
Ignition System
Ignition System
Master Electrical Component List
Electronic Ignition (EI) System Description
Ignition Control Sensors
Electronic Throttle Control
OBD II Symbol Description Notice
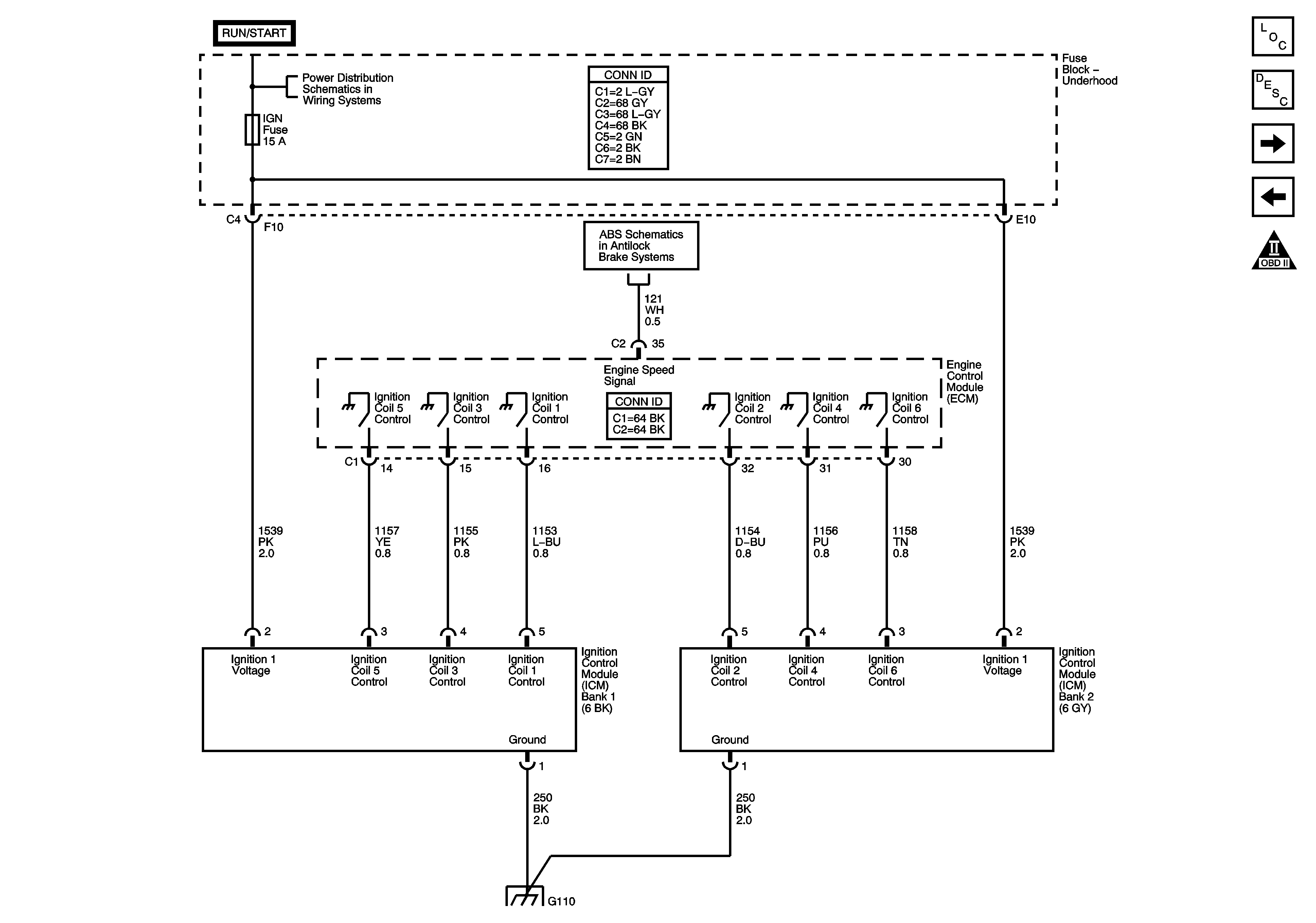
Fuse Block-Underhood : Injector, Controls IGN1, EIS and IGN
Wheel Speed Sensors
G102, G110, G118, G114