GM Service Manual Online
For 1990-2009 cars only
Makes
🢒
Saturn
🢒
2003
🢒
L200/LW200
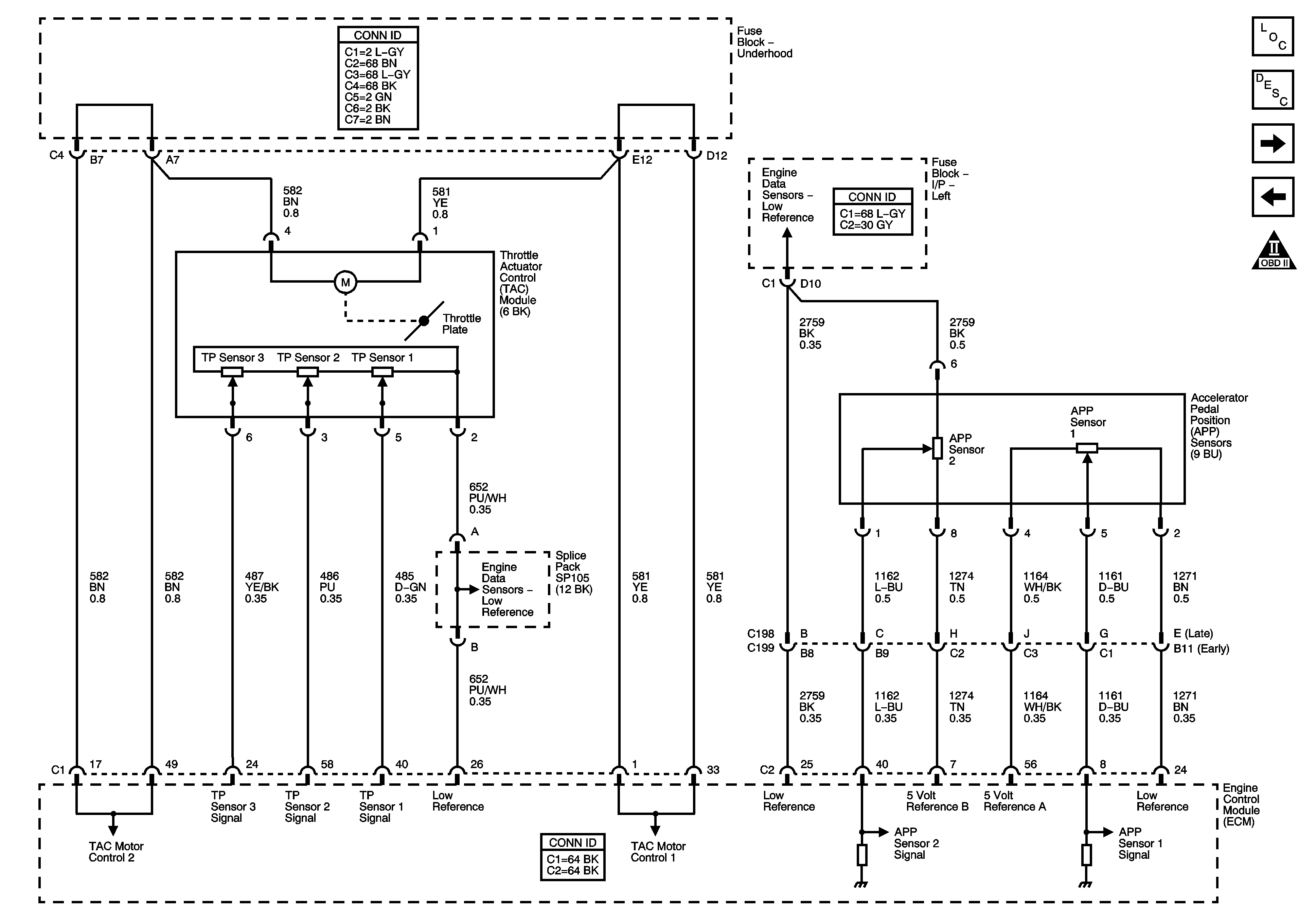
🢒 Electronic Throttle Control
Electronic Throttle Control
Electronic Throttle Controls
Master Electrical Component List
Throttle Actuator Control (TAC) System Description
Ignition System
Engine Data Sensors- HO2 Sensors
OBD II Symbol Description Notice
Engine Data Sensors- Low References
Engine Data Sensors- Low References