GM Service Manual Online
For 1990-2009 cars only
Makes
🢒
Saturn
🢒
2003
🢒
L200/LW200
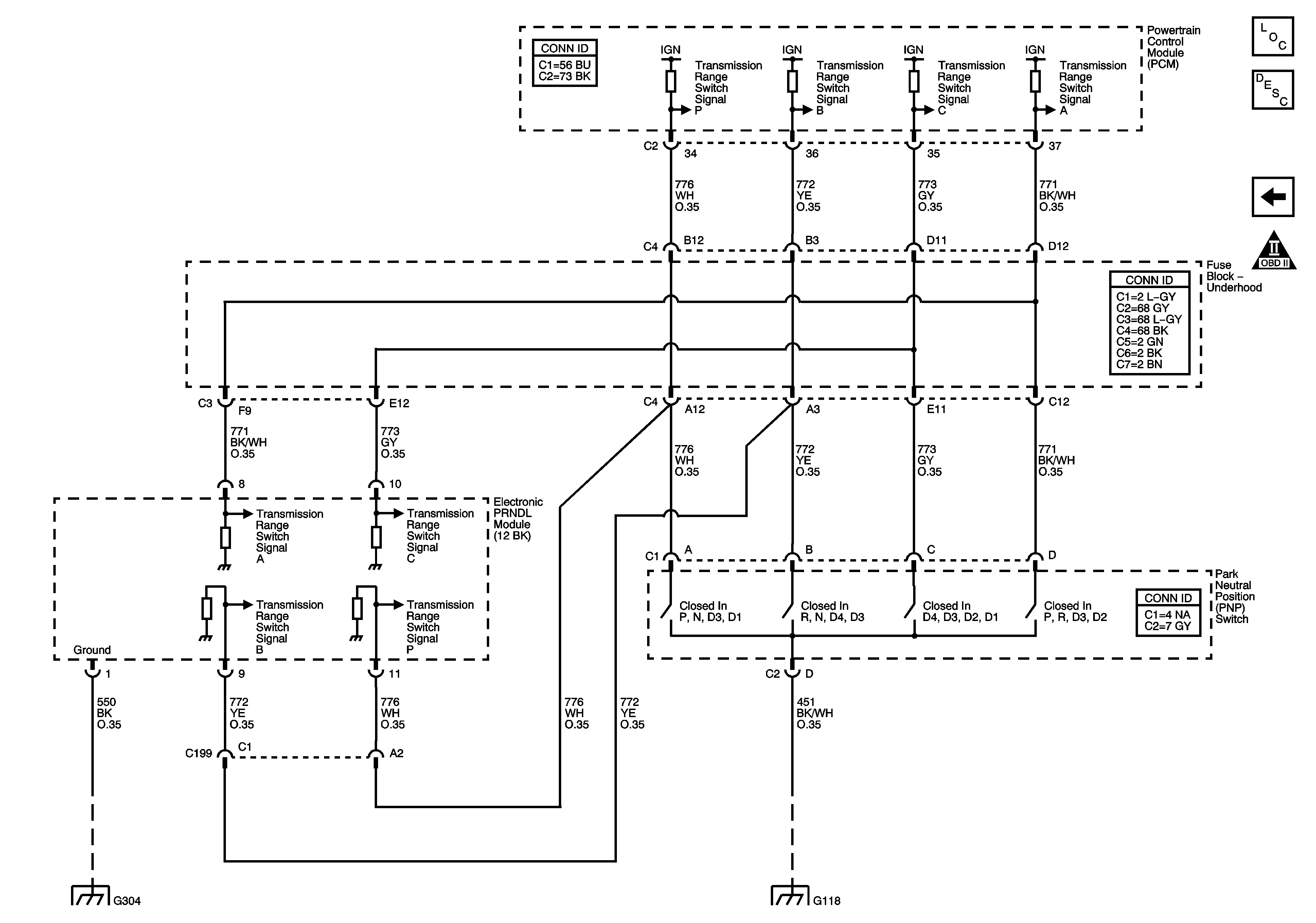
🢒 PNP Switch and PRNDL
PNP Switch and PRNDL
PNP Switch and PRNDL
Master Electrical Component List
Electronic Component Description Input
Solenoids,Speed Sensors, Stop Lamp Switch
OBD II Symbol Description Notice
G300, G304
G102, G110, G118, G114