GM Service Manual Online
For 1990-2009 cars only
Makes
🢒
Saturn
🢒
2003
🢒
L200/LW200
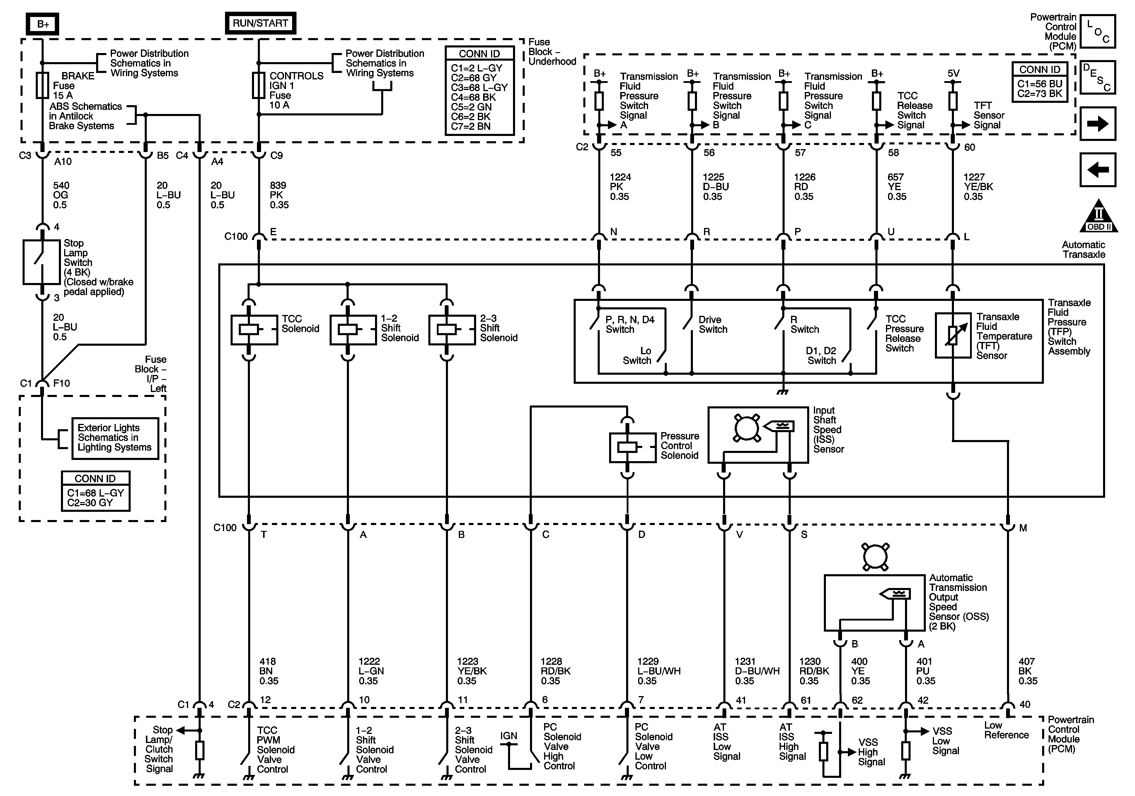
🢒 Solenoids,Speed Sensors, Stop Lamp Switch
Solenoids,Speed Sensors, Stop Lamp Switch
Solenoid, Speed Sensors, and Stop Lamp Switch
Master Electrical Component List
Electronic Component Description Input
PNP Switch and PRNDL
PCM Power, Ground, Serial Data, MIL
OBD II Symbol Description Notice
Fuse Block-Underhood Bus
EBCM Power, Ground, Serial Data, and Switches- 2.2L
Fuse Block-Underhood : Injector, Controls IGN1, EIS and IGN
Stop Lamps