GM Service Manual Online
For 1990-2009 cars only
Makes
🢒
Saturn
🢒
2003
🢒
L200/LW200
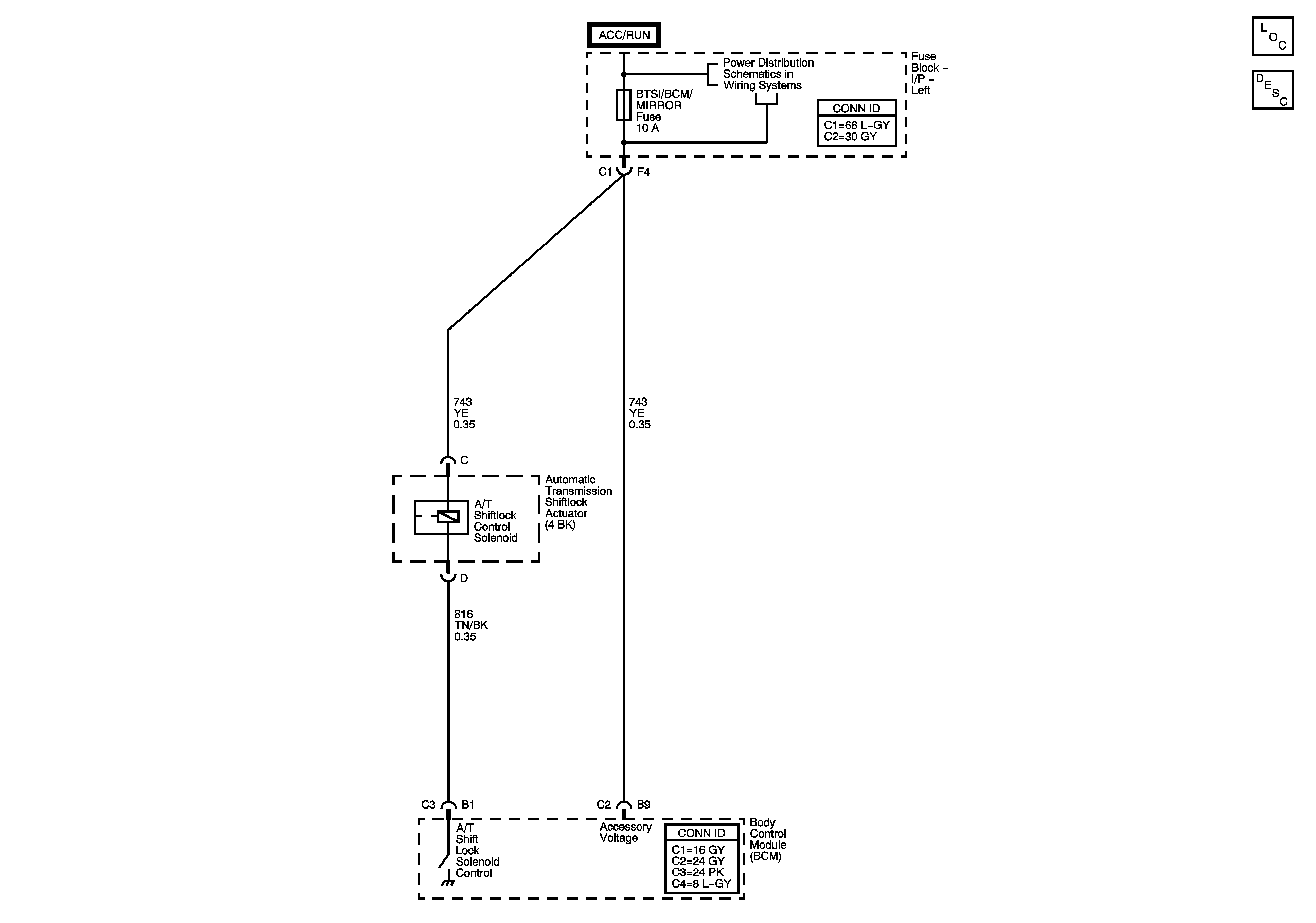
🢒 Automatic Transmission Shift Lock Control Schematic
Automatic Transmission Shift Lock Control Schematic
Master Electrical Component List
Electronic Component Description Input
Fuse Block-Right I/P : Rear Wiper/Sunroof - Fuse Block-Left I/P : Wiper, BTSI/BCM/Mirror and Radio