GM Service Manual Online
For 1990-2009 cars only
Makes
🢒
Saturn
🢒
2003
🢒
L200/LW200
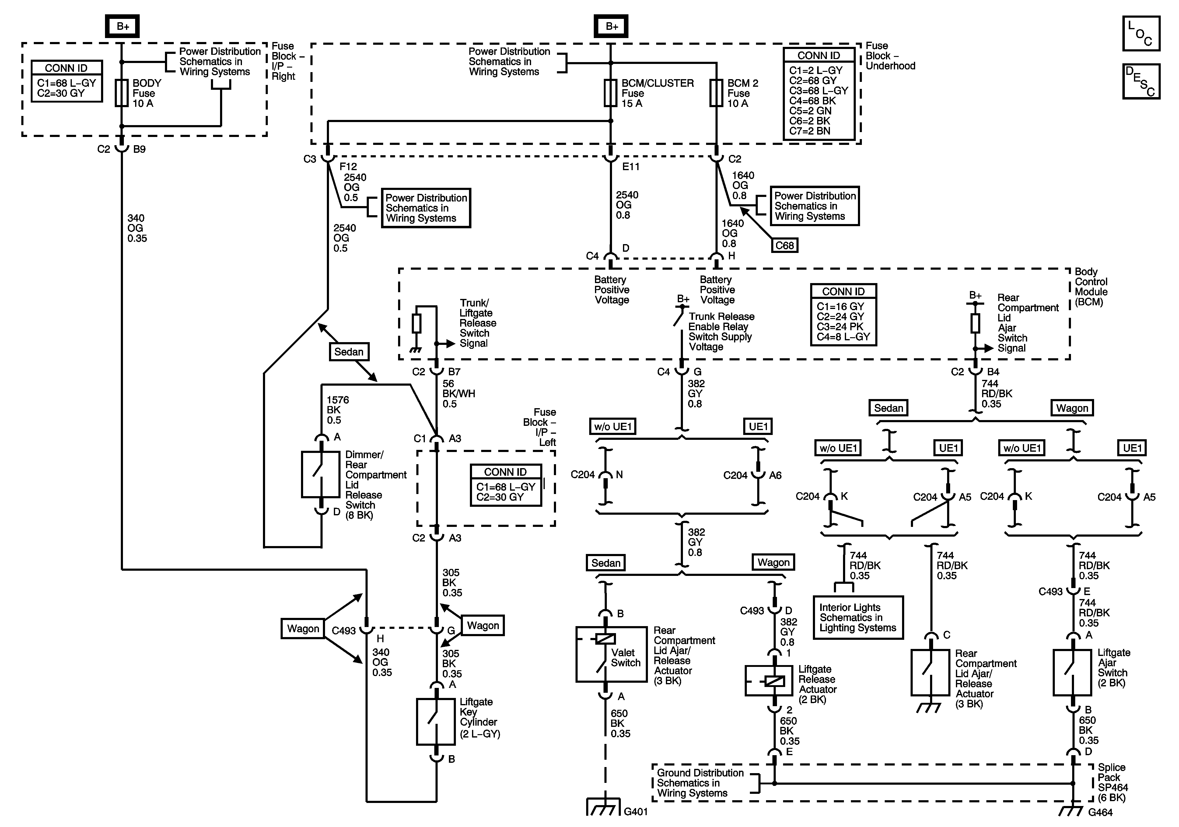
🢒 Body Rear End Schematics
Body Rear End Schematics
Master Electrical Component List
Luggage Compartment Description and Operation
Fuse Block-Underhood : IP BATT RT - Fuse Block-Right I/P : Prem Amp, Door Lock, Body and Fog lamp
Fuse Block-Underhood Bus
Fuse Block-Underhood : Air/Wdo/Sunroof, Air Solenoid, LH HDLP, RH HDLP, BCM2, Lighter and Aux Power
Sedan w/o UE1
G305, G401, G399 and G400
G464, G401, G463 and G403