GM Service Manual Online
For 1990-2009 cars only
Makes
🢒
Saturn
🢒
2003
🢒
L200/LW200
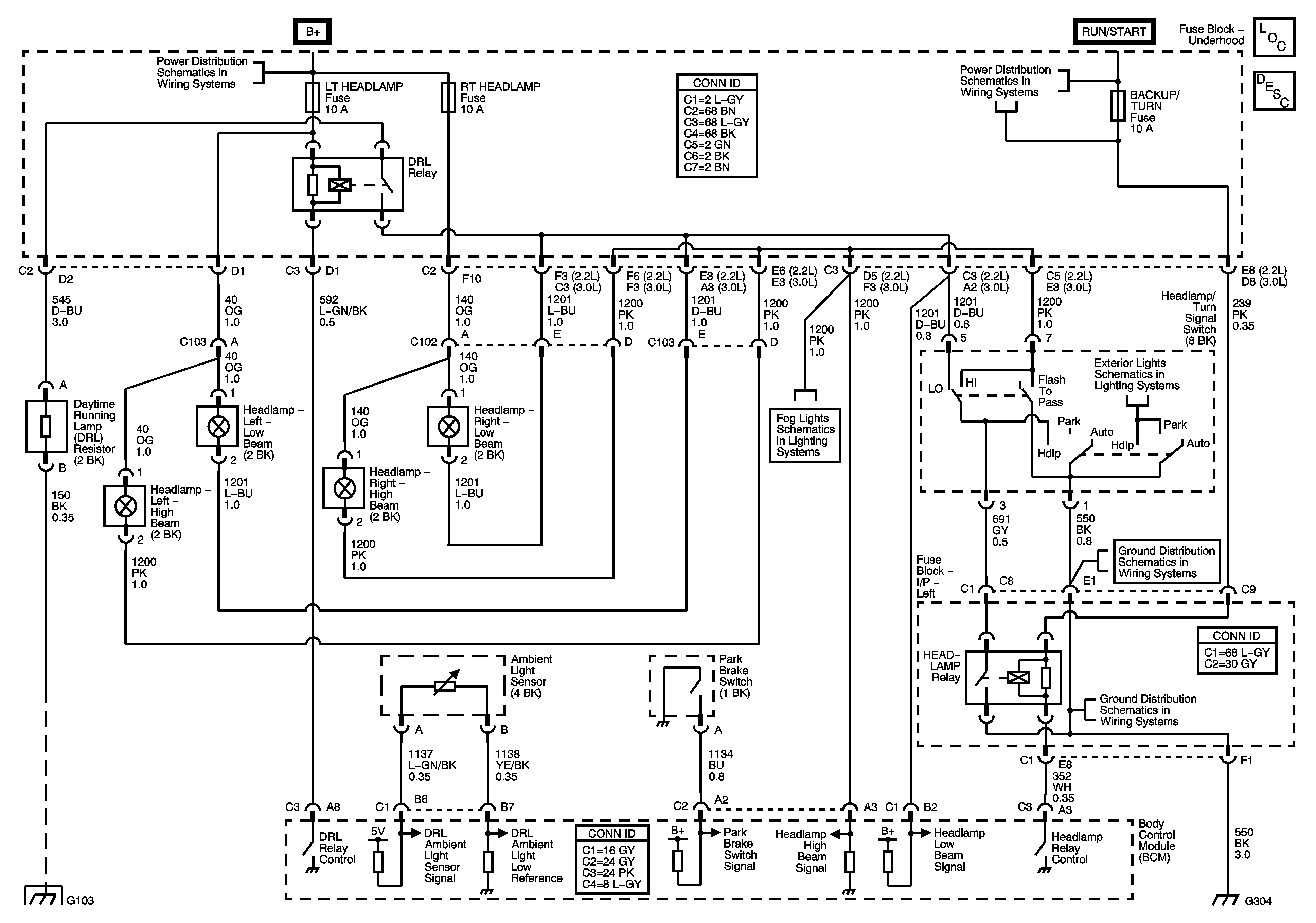
🢒 Headlights/DRL Schematics
Headlights/DRL Schematics
Master Electrical Component List
Exterior Lighting Systems Description and Operation
Fuse Block-Underhood Bus
Fuse Block-Underhood : BCM/ECM/Cruise/ABS, Cruise Switch, IGN1 and Backup/Turn
Fog Lights Schematics
G300, G304
G300, G304
G105, G103, G113 and G107
G300, G304