GM Service Manual Online
For 1990-2009 cars only
Makes
🢒
Saturn
🢒
2003
🢒
L200/LW200
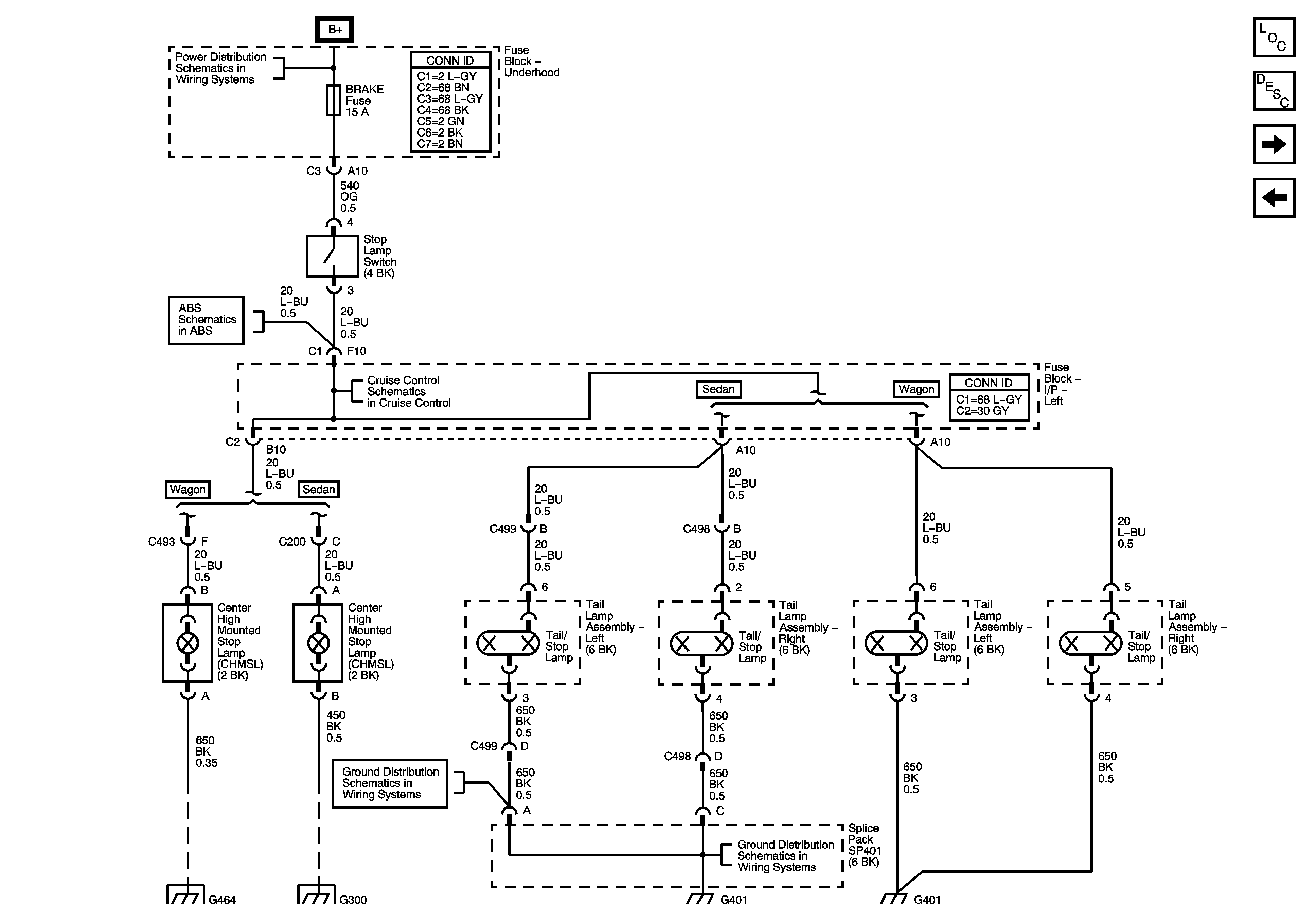
🢒 Stop Lamps
Stop Lamps
Stop Lamps
Master Electrical Component List
Exterior Lighting Systems Description and Operation
Turn/Hazard Lights
Park Lamps- Wagon
Fuse Block-Underhood : Cooling Fan2, Cooling Fan1, ABS1, ABS2, Park Lamp, Hazard, Brake and Controls B+
EBCM Power, Ground, Serial Data, and Switches- 2.2L
Cruise Control Schematics- 2.2L
G305, G401, G399 and G400
G305, G401, G399 and G400
G300