GM Service Manual Online
For 1990-2009 cars only
Makes
🢒
Saturn
🢒
2003
🢒
L200/LW200
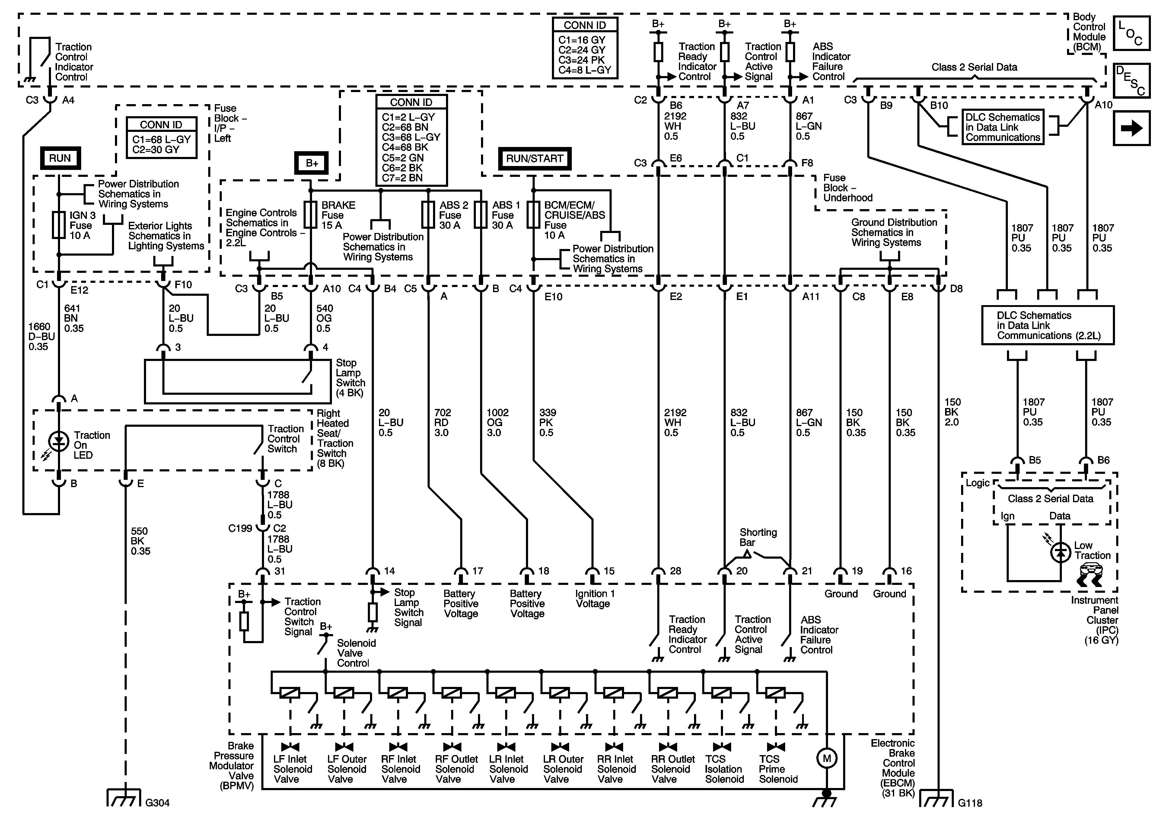
🢒 EBCM Power, Ground, Serial Data, and Switches- 2.2L
EBCM Power, Ground, Serial Data, and Switches- 2.2L
EBCM Power, Ground, Serial Data, and Switches- 2.2L
Master Electrical Component List
ABS Description and Operation
EBCM Power, Ground, Serial Data, Switches- 3.0L
Fuse Block-Underhood : HVAC Blower, Radio/Onstar and CD/DLC - Fuse Block-Left I/P : IGN3
Stop Lamps
Engine Data Sensors- A/T, M/T w/ ABS
0 Fuse Block-Underhood Bus
Fuse Block-Underhood : BCM/ECM/Cruise/ABS, Cruise Switch, IGN1 and Backup/Turn
G118
2.2L
2.2L
G300, G304
G118