GM Service Manual Online
For 1990-2009 cars only
Makes
🢒
Saturn
🢒
2003
🢒
L200/LW200
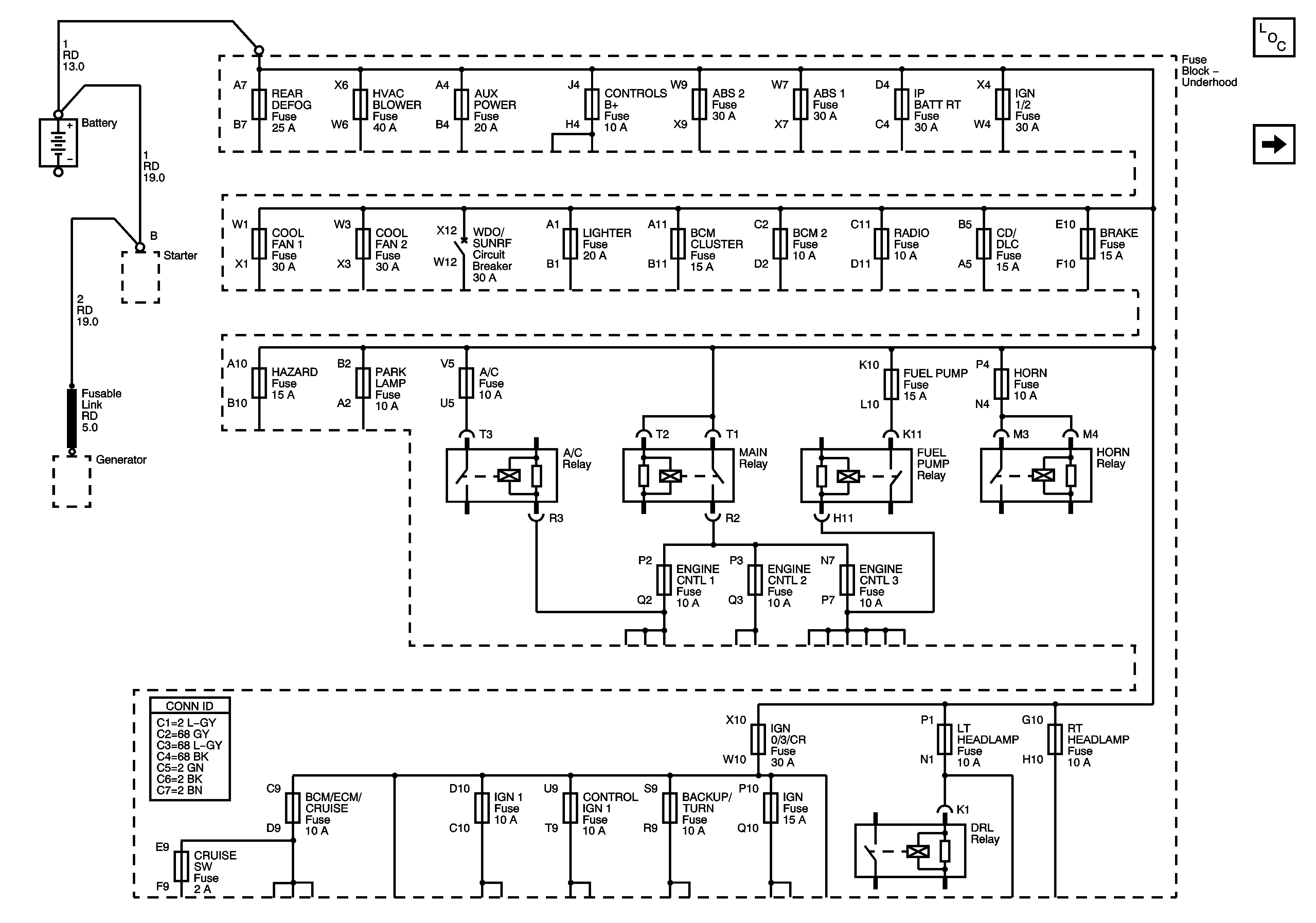
🢒 Fuse Block - Underhood Bus
Fuse Block - Underhood Bus
Fuse Block - Underhood Bus (3.0L)
Master Electrical Component List
Fuse Block - Underhood Bus