GM Service Manual Online
For 1990-2009 cars only
Makes
🢒
Saturn
🢒
2003
🢒
L200/LW200
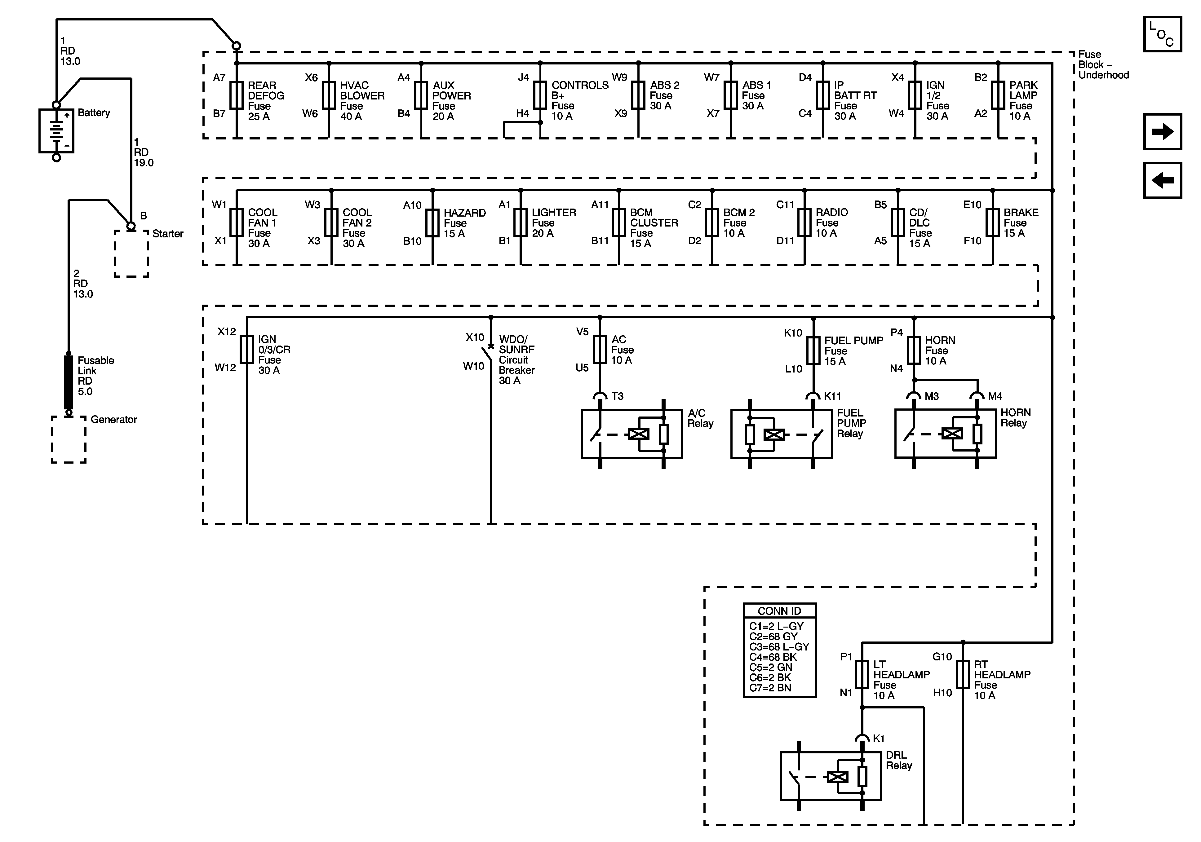
🢒 Fuse Block - Underhood Bus
Fuse Block - Underhood Bus
Fuse Block -- Underhood Bus (2.2L)
Master Electrical Component List
Fuse Block - Underhood Fuses: Cooling Fan 2, Cooling Fan 1, ABS1, ABS2, Parklamp
Fuse Block - Underhood Bus