GM Service Manual Online
For 1990-2009 cars only
Makes
🢒
Saturn
🢒
2003
🢒
L200/LW200
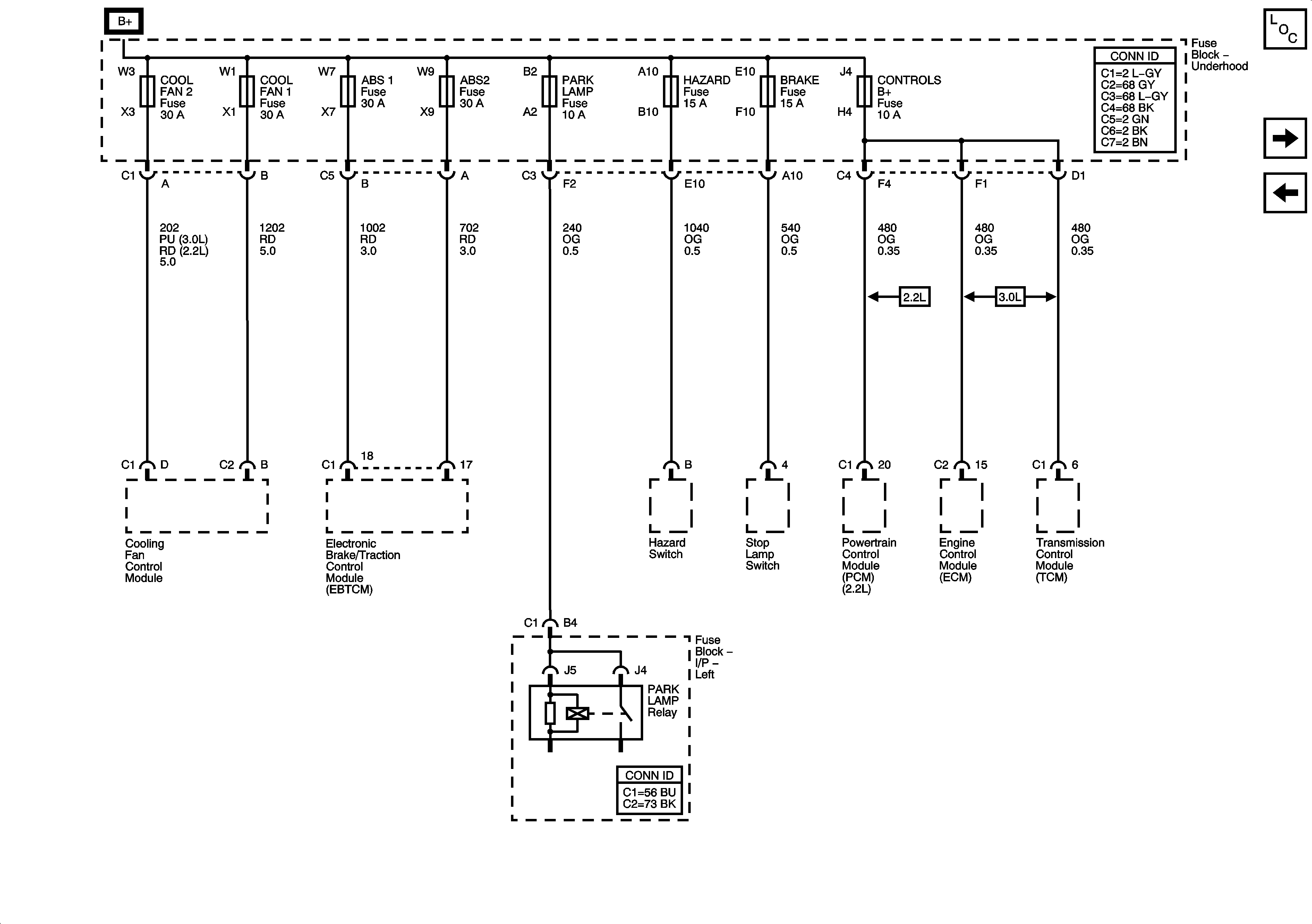
🢒 Fuse Block - Underhood Fuses: Cooling Fan 2, Cooling Fan 1, ABS1, ABS2, Parklamp
Fuse Block - Underhood Fuses: Cooling Fan 2, Cooling Fan 1, ABS1, ABS2, Parklamp
Fuse Block -- Underhood Fuses: Cooling Fan 2, Cooling Fan 1, ABS1, ABS2, Parklamp, Hazard, Brake and Controls B+
Master Electrical Component List
Fuse Block - Underhood Fuses: WDO/Sunroof, LHHDLP, RHHDLP, BCM2, Lighter, Aux Power
Fuse Block - Underhood Bus