GM Service Manual Online
For 1990-2009 cars only
Makes
🢒
Saturn
🢒
2003
🢒
L200/LW200
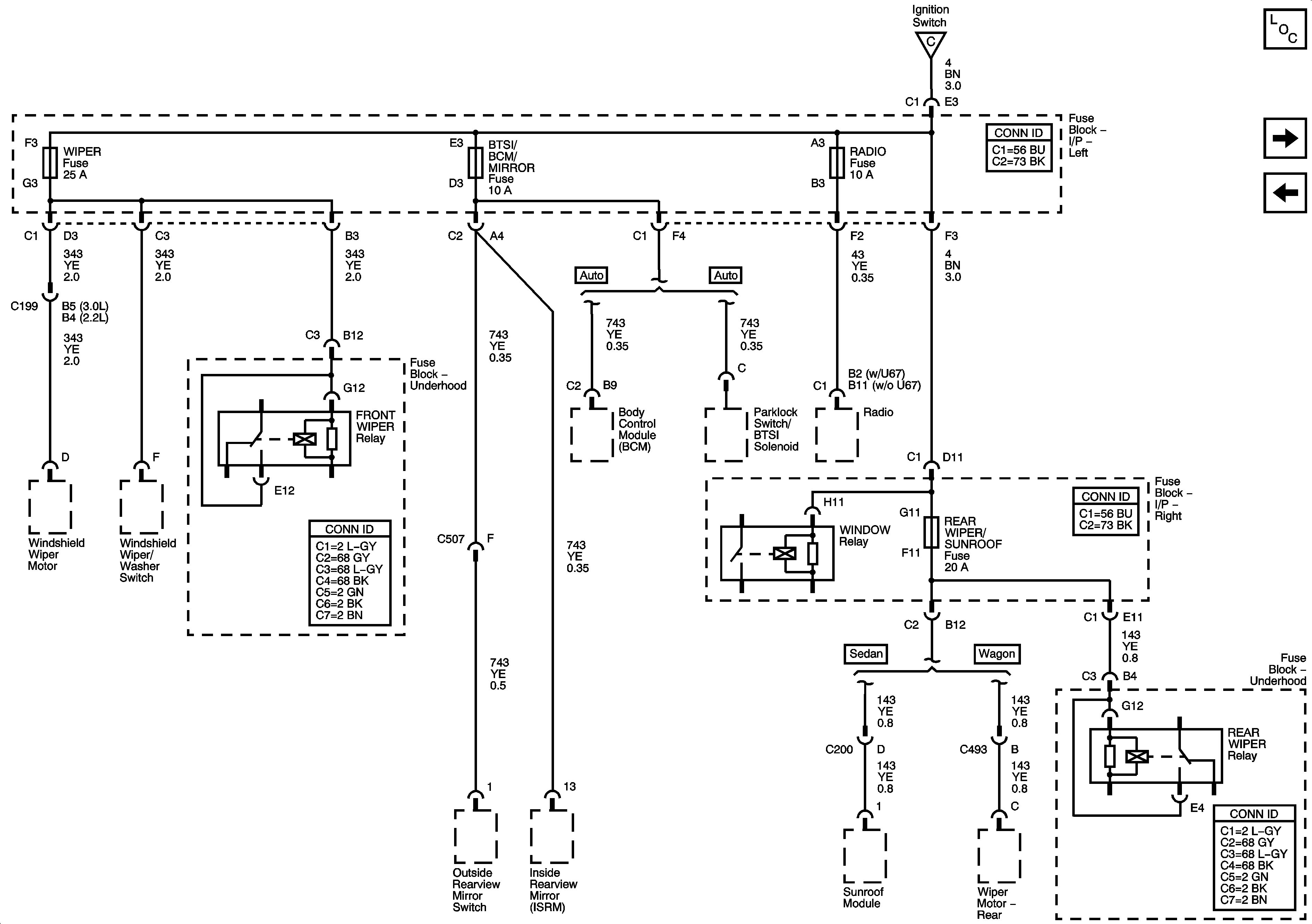
🢒 Fuse Block-Right I/P: Rear Wiper/Sunroof Fuse Block-Left I/P: Wiper, BTS1/BCM/Mirror, Radio
Fuse Block-Right I/P: Rear Wiper/Sunroof Fuse Block-Left I/P: Wiper, BTS1/BCM/Mirror, Radio
Fuse Block-Right I/P : Rear Wiper/Sunroof . Fuse Block-Left I/P : Wiper, BTSI/BCM/Mirror and Radio
Master Electrical Component List
Fuse Block-Underhood: IGN3; Fuse Block-Right I/P: Heated Seat
Fuse Block-Underhood Fuses: Injector, Cntrls, IGN1, EIS, IGN
Fuse Block-Underhood : IGN1/2, IGN0 and IGN0/3/CR - Ignition Switch