GM Service Manual Online
For 1990-2009 cars only
Makes
🢒
Saturn
🢒
2003
🢒
L200/LW200
🢒 Charging System
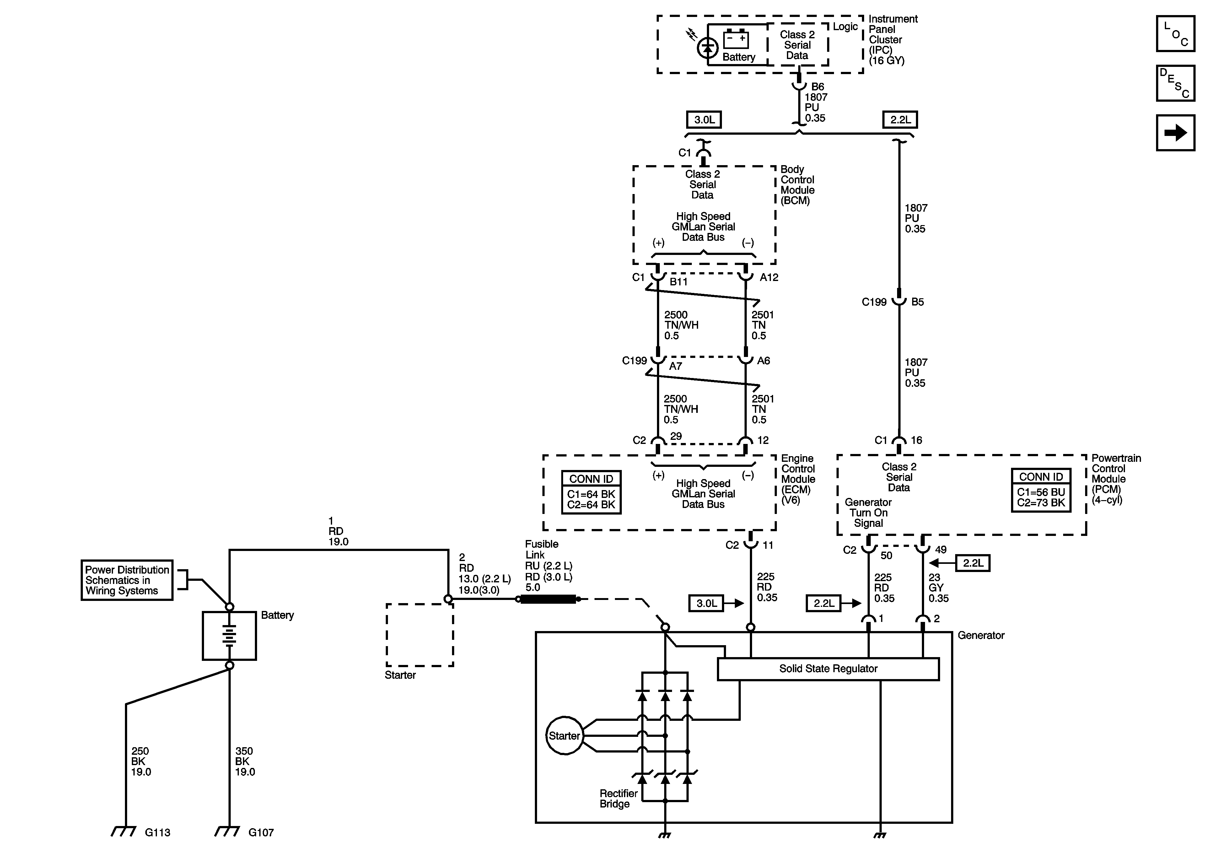
Charging System
Charging System
Master Electrical Component List
Charging System Description and Operation
Starting System
Fuse Block - Underhood Bus