GM Service Manual Online
For 1990-2009 cars only
Makes
🢒
Saturn
🢒
2003
🢒
L200/LW200
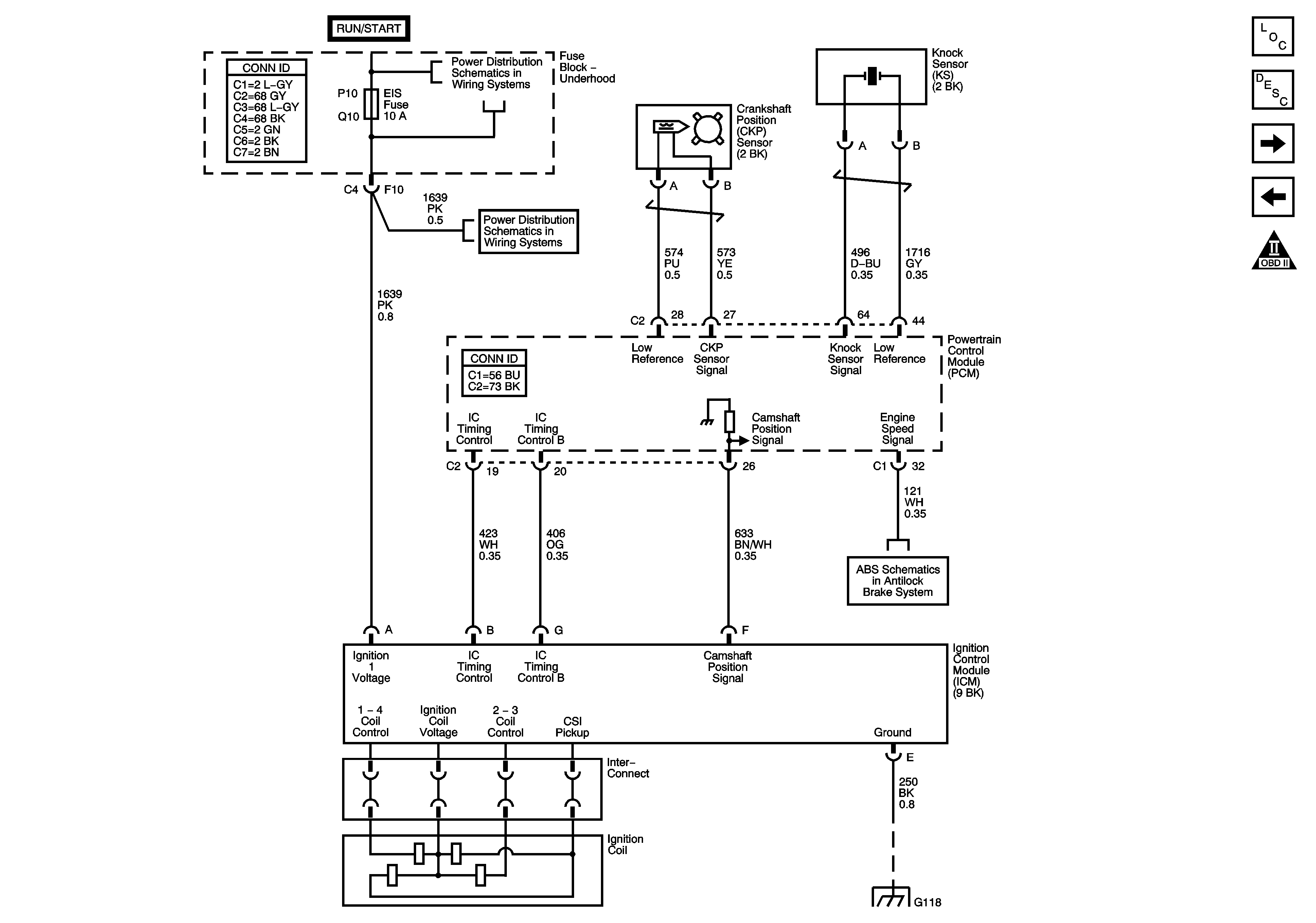
🢒 Ingition Controls
Ingition Controls
Ignition Controls
Master Electrical Component List
Powertrain Control Module Description
Fuel Controls
HO2S
OBD II Symbol Description Notice
Fuse Block-Underhood Fuses: Injector, Cntrls, IGN1, EIS, IGN
Fuse Block-Underhood Fuses: Injector, Cntrls, IGN1, EIS, IGN
G118