GM Service Manual Online
For 1990-2009 cars only
Makes
🢒
Saturn
🢒
2003
🢒
L200/LW200
🢒 Fuel Controls
Fuel Controls
Fuel Controls
Master Electrical Component List
Powertrain Control Module Description
Fuel Controls - EVAP Controls
Ingition Controls
OBD II Symbol Description Notice
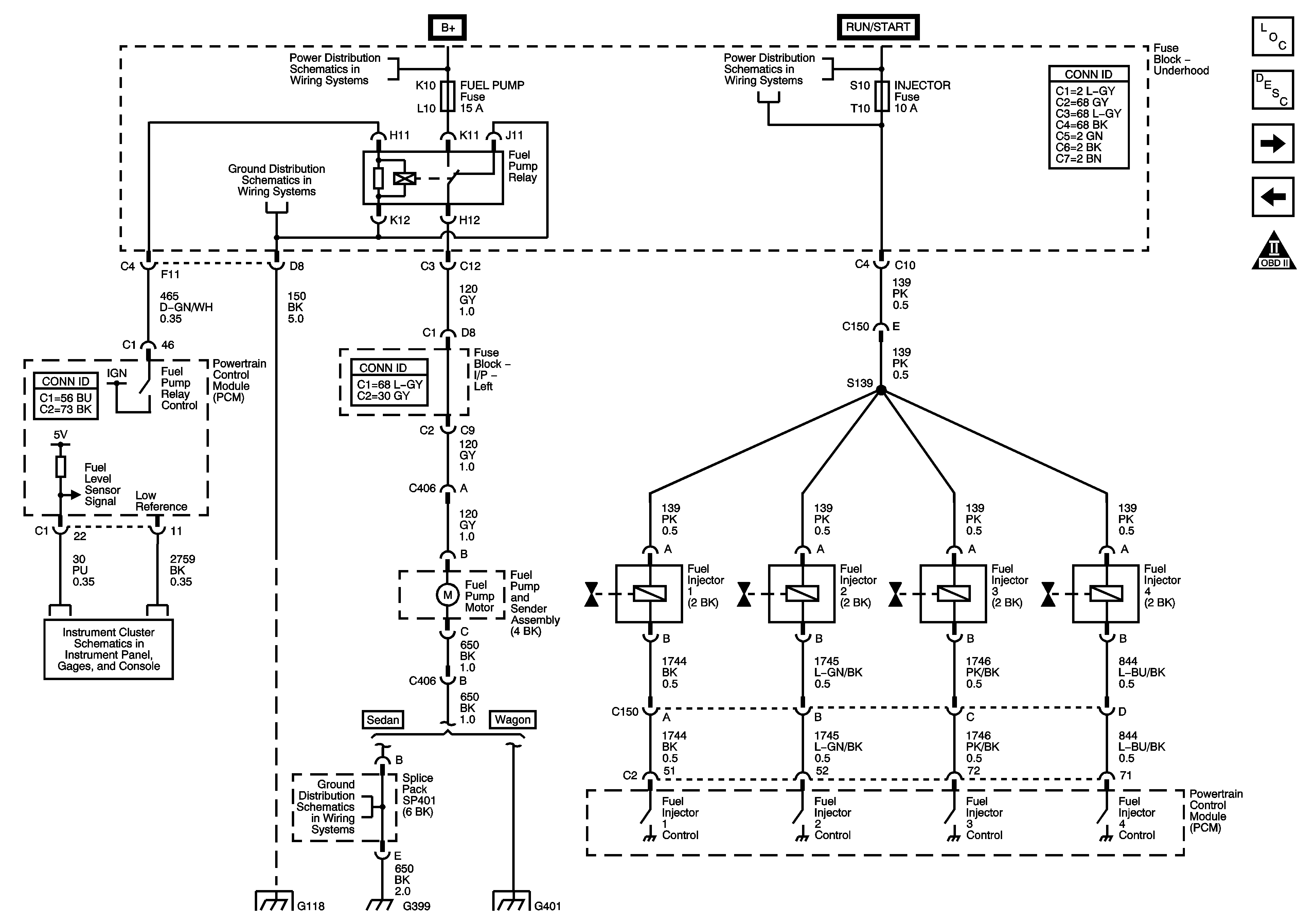
Fuse Block-Underhood Fuses: Injector, Cntrls, IGN1, EIS, IGN
Fuse Block - Underhood Bus
G118
Gages
G305, G401, G399, G400
G118
G305, G401, G399, G400