GM Service Manual Online
For 1990-2009 cars only
Makes
🢒
Saturn
🢒
2003
🢒
L200/LW200
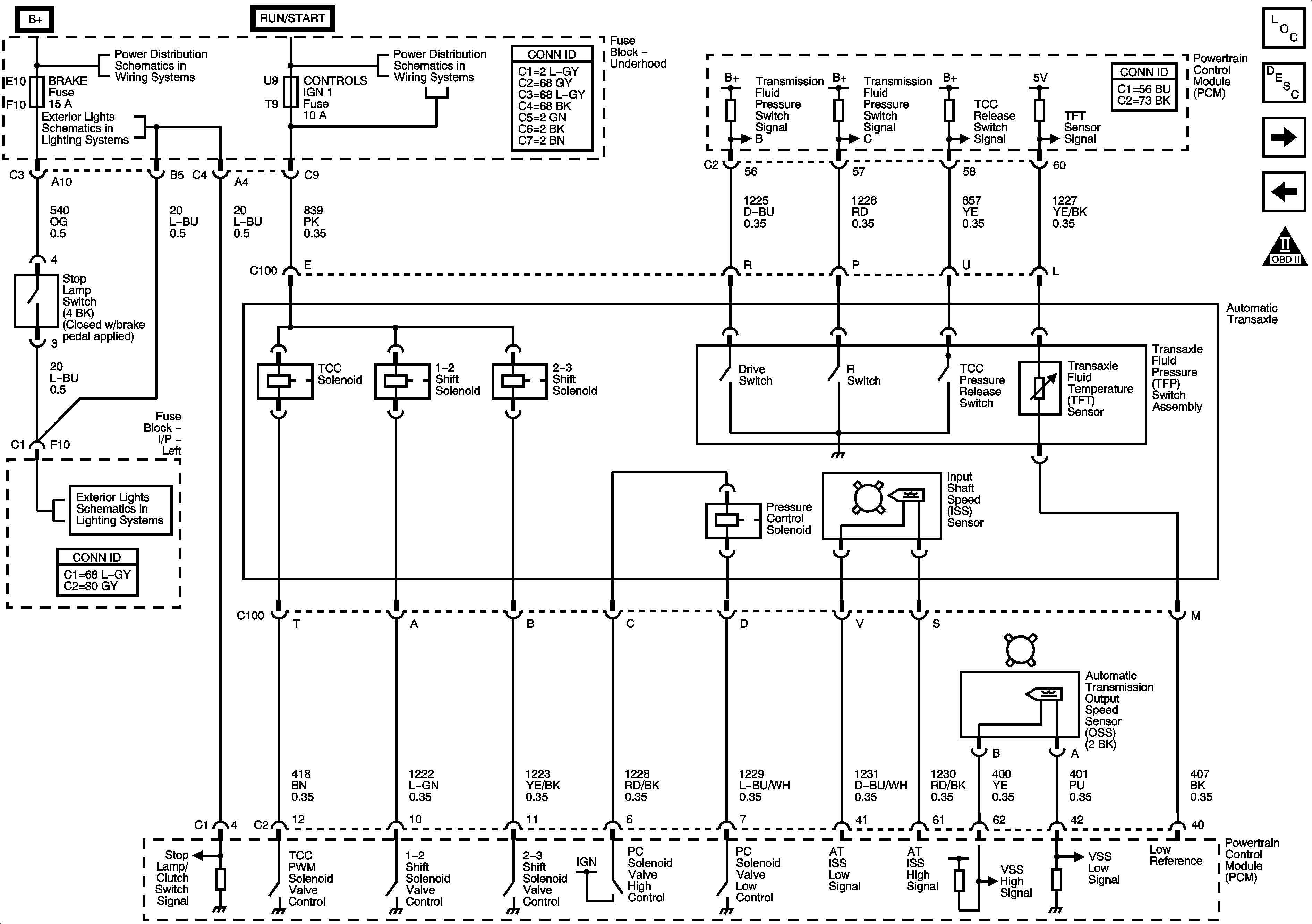
🢒 Sensors, Solenoids, Switches
Sensors, Solenoids, Switches
Solenoid, Speed Sensors, and Stop Lamp Switch
Master Electrical Component List
Transmission Component and System Description
4 Cyl
Module Power, Ground, Serial Data, MIL
OBD II Symbol Description Notice
Fuse Block - Underhood Fuses: Cooling Fan 2, Cooling Fan 1, ABS1, ABS2, Parklamp
Fuse Block-Underhood Fuses: Injector, Cntrls, IGN1, EIS, IGN
Stop Lamps
Stop Lamps