GM Service Manual Online
For 1990-2009 cars only
Makes
🢒
Saturn
🢒
2003
🢒
L200/LW200
🢒 Blower Motors and Actuators
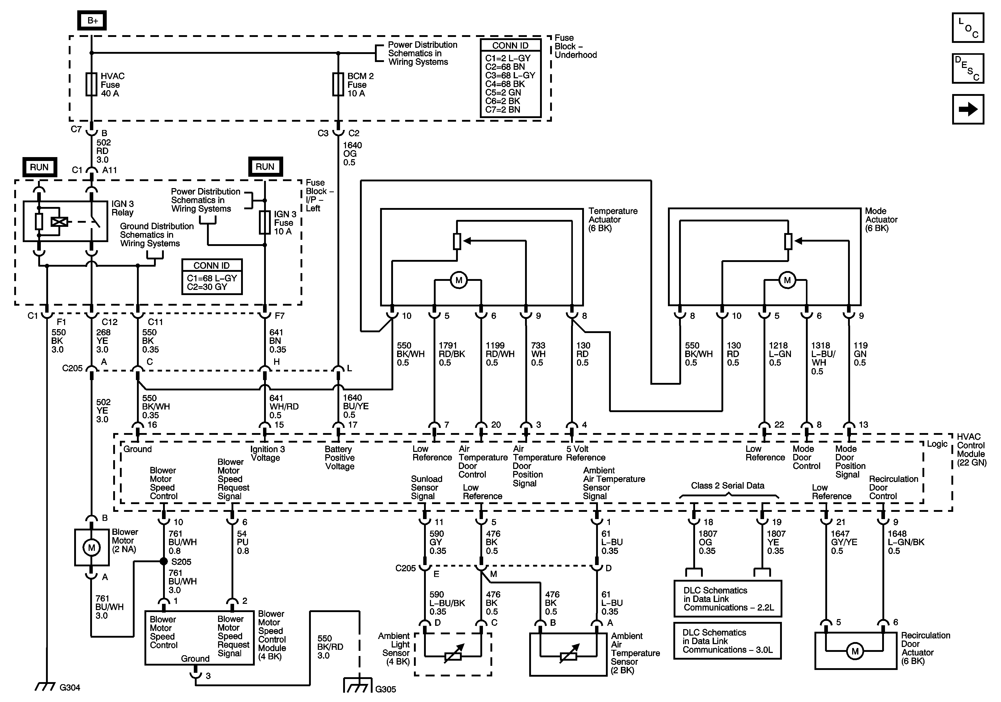
Blower Motors and Actuators
Blower Motor and Air Delivery
Master Electrical Component List
Air Delivery Description and Operation
Compressor Controls - 2.2L