GM Service Manual Online
For 1990-2009 cars only
Makes
🢒
Saturn
🢒
2003
🢒
L200/LW200
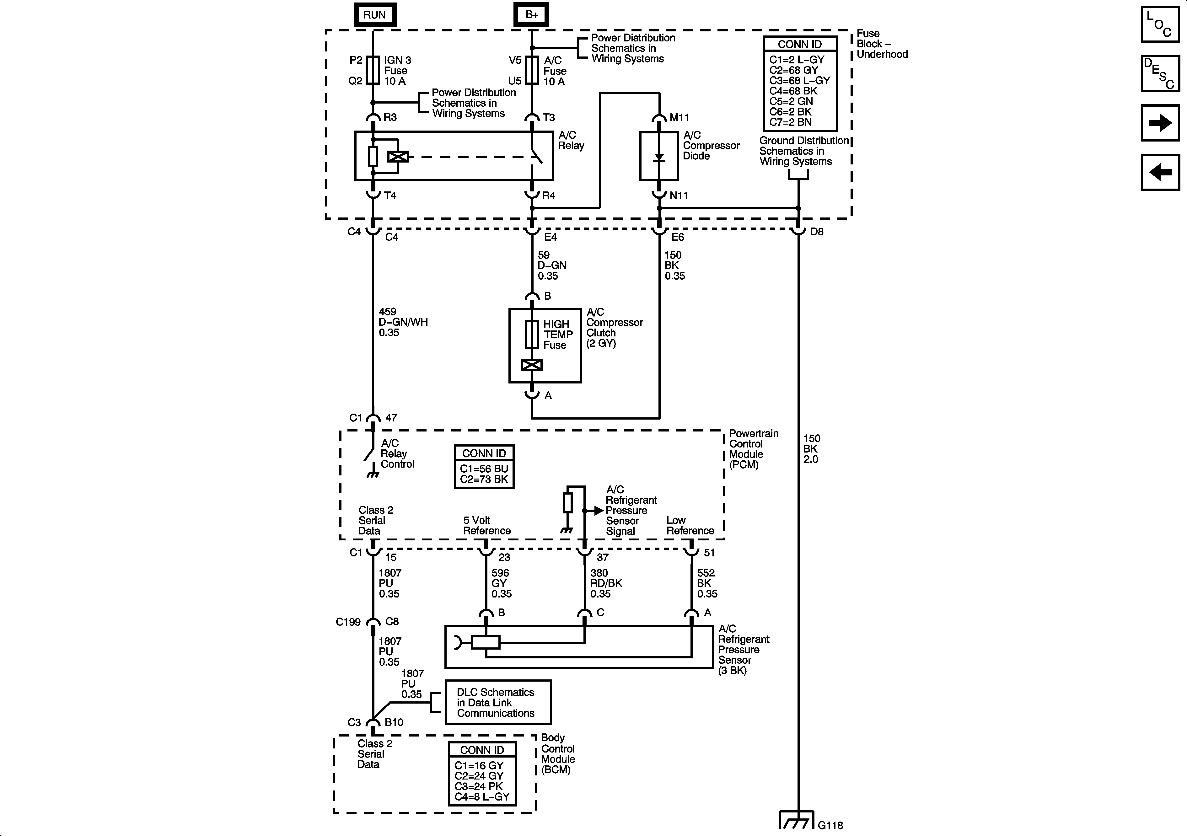
🢒 Compressor Controls - 2.2L
Compressor Controls - 2.2L
A/C Compressor Control- 2.2L
Master Electrical Component List
Air Delivery Description and Operation
Compressor Controls - 3.0L
Blower Motors and Actuators
Fuse Block-Underhood: IGN3; Fuse Block-Right I/P: Heated Seat
Fuse Block - Underhood Bus
G118
DLC Schematics (2.2L)
G118