GM Service Manual Online
For 1990-2009 cars only
Makes
🢒
Saturn
🢒
2003
🢒
L200/LW200
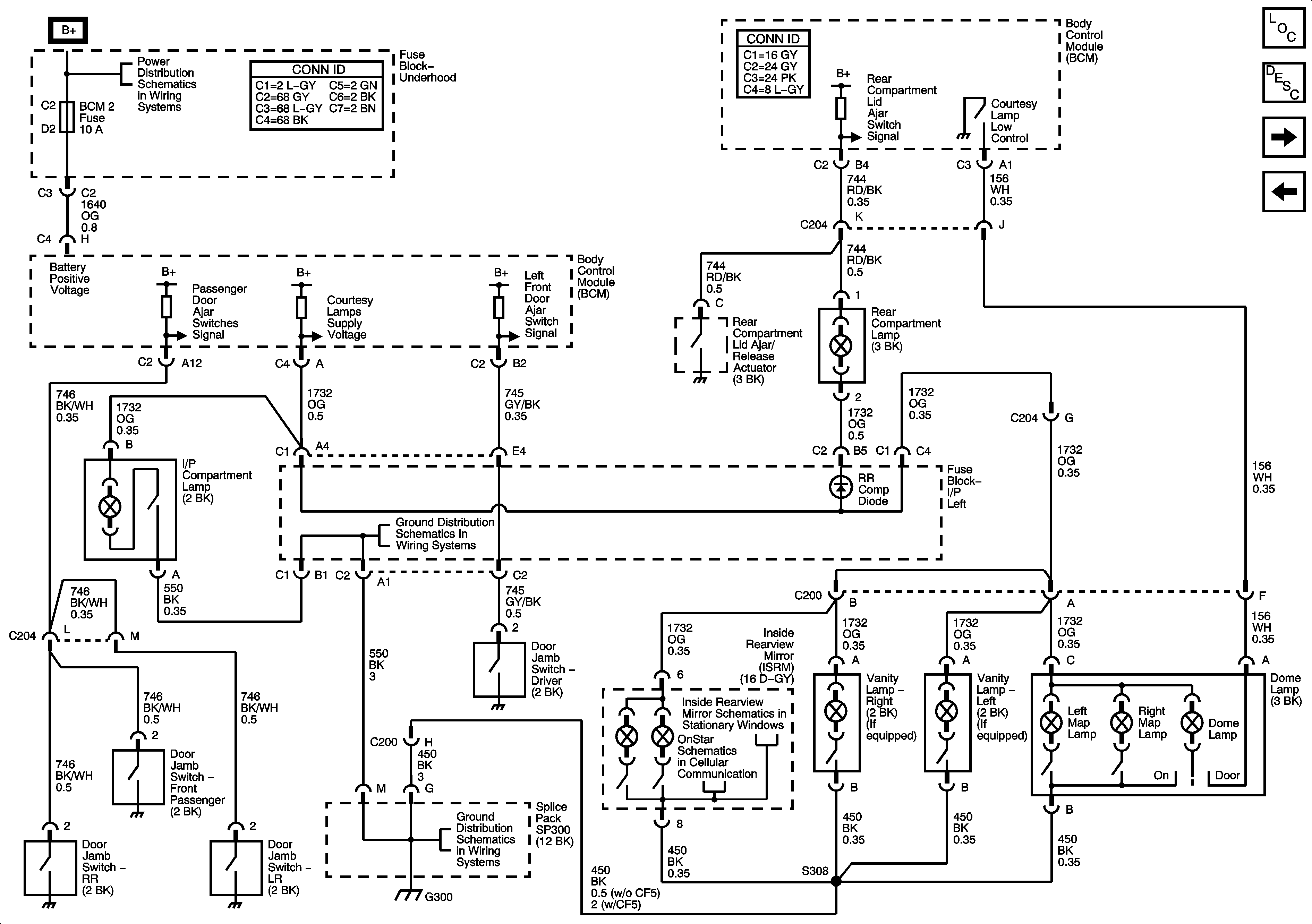
🢒 Interior Lights Schematics - Sedan w/o UE1
Interior Lights Schematics - Sedan w/o UE1
Sedan (w/o UE1)
Master Electrical Component List
Interior Lighting Systems Description and Operation
Interior Lights Schematics - Wagon w/ UE1
Interior Lights Schematics - Sedan w/ UE1
Fuse Block - Underhood Bus
G300, G304
G300