GM Service Manual Online
For 1990-2009 cars only

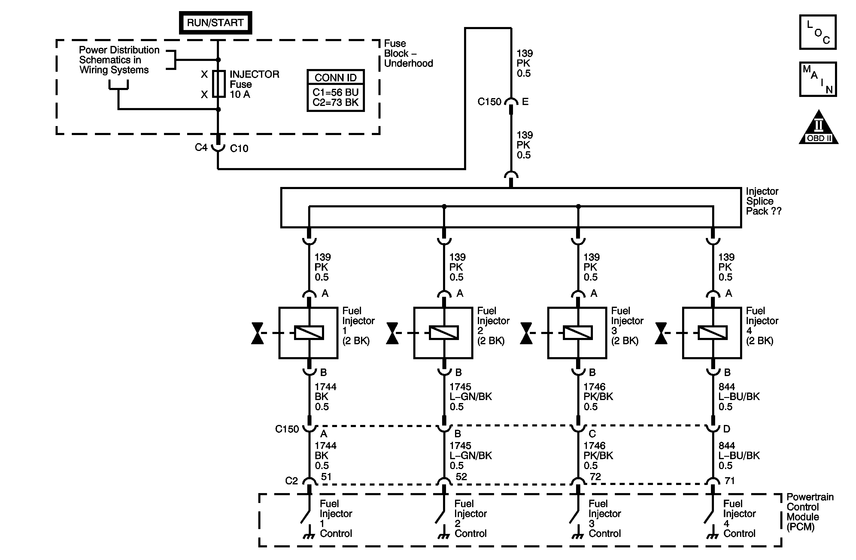
Object Number: 1245786  Size: MF
Engine Controls Component Views
Engine Controls Schematics

Circuit Description

The control module enables the appropriate fuel injector pulse for each cylinder. Ignition voltage is supplied to the fuel injectors. The control module controls each fuel injector by grounding the control circuit via a solid state device called a driver. The control module monitors the status of each driver. If the control module detects an incorrect voltage for the commanded state of the driver, a fuel injector control circuit DTC sets.

Conditions for Running the DTC

    • The engine is running.
    • The ignition voltage is between 9-18 volts.

Conditions for Setting the DTC

    • The control module detects an incorrect voltage on the fuel injector control circuit.
    • The above condition is met for 1.0 second.

Action Taken When the DTC Sets

    • The control module illuminates the malfunction indicator lamp (MIL) on the second consecutive ignition cycle that the diagnostic runs and fails.
    • The control module records the operating conditions at the time the diagnostic fails. The first time the diagnostic fails, the control module stores this information in the Failure Records. If the diagnostic reports a failure on the second consecutive ignition cycle, the control module records the operating conditions at the time of the failure. The control module writes the operating conditions to the Freeze Frame and updates the Failure Records.

Conditions for Clearing the MIL/DTC

    • The control module turns OFF the malfunction indicator lamp (MIL) after 3 consecutive ignition cycles that the diagnostic runs and does not fail.
    • A current DTC, Last Test Failed, clears when the diagnostic runs and passes.
    • A history DTC clears after 40 consecutive warm-up cycles, if no failures are reported by this or any other emission related diagnostic.
    • Clear the MIL and the DTC with a scan tool.

Diagnostic Aids

    • Performing the Fuel Injector Coil Test may help isolate an intermittent condition. Refer to Fuel Injector Solenoid Coil Test .
    • For an intermittent condition, refer to Intermittent Conditions .

Step

Action

Yes

No

Schematic Reference: Engine Controls Schematics

Connector End View Reference: Powertrain Control Module Connector End Views or Engine Controls Connector End Views

1

Did you perform the Diagnostic System Check-Engine Controls?

Go to Step 2

Go to Diagnostic System Check - Engine Controls

2

  1. Observe the Freeze Frame/Failure Records for this DTC.
  2. Turn OFF the ignition for 30 seconds.
  3. Start the engine.
  4. Operate the vehicle within the Conditions for Running the DTC. You may also operate the vehicle within the conditions that you observed from the Freeze Frame/Failure Records.

Did the DTC fail this ignition?

Go to Step 3

Go to Diagnostic Aids

3

  1. Turn OFF the ignition.
  2. Remove the air cleaner outlet resonator.
  3. Disconnect the fuel injector.
  4. Turn ON the ignition, with the engine OFF.
  5. Probe the ignition 1 voltage circuit of the fuel injector with a test lamp that is connected to a good ground. Refer to Probing Electrical Connectors in Wiring Systems.

Does the test lamp illuminate?

Go to Step 4

Go to Step 10

4

  1. Connect the J 34730-405 Injector Test Lamp (Noid Light) between the control circuit and the ignition 1 voltage circuit of the fuel injector.
  2. Start the engine.

Does the test lamp flash?

Go to Step 8

Go to Step 5

5

Does the test lamp remain illuminated at all times?

Go to Step 7

Go to Step 6

6

Test the control circuit of the fuel injector for an open and for a short to voltage. Refer to Circuit Testing and Wiring Repairs in Wiring Systems.

Did you find and correct the condition?

Go to Step 13

Go to Step 9

7

Test the control circuit of the fuel injector for a short to ground. Refer to Circuit Testing and Wiring Repairs in Wiring Systems.

Did you find and correct the condition?

Go to Step 13

Go to Step 12

8

Test for an intermittent and for a poor connection at the fuel injector. Refer to Testing for Intermittent Conditions and Poor Connections and Connector Repairs in Wiring Systems.

Did you find and correct the condition?

Go to Step 13

Go to Step 11

9

Test for an intermittent and for a poor connection at the PCM. Refer to Testing for Intermittent Conditions and Poor Connections and Connector Repairs in Wiring Systems.

Did you find and correct the condition?

Go to Step 13

Go to Step 12

10

Repair the open or short to ground in the ignition 1 voltage circuit of the fuel injector. Replace the fuse as necessary. Refer to Wiring Repairs in Wiring Systems.

Did you complete the repair?

Go to Step 13

--

11

Replace the affected fuel injector. Refer to Fuel Injector Replacement .

Did you complete the replacement?

Go to Step 13

--

12

Replace the PCM. Refer to Powertrain Control Module Replacement .

Did you complete the replacement?

Go to Step 13

--

13

  1. Clear the DTCs with a scan tool.
  2. Turn OFF the ignition for 30 seconds.
  3. Start the engine.
  4. Operate the vehicle within the Conditions for Running the DTC. You may also operate the vehicle within the conditions that you observed from the Freeze Frame/Failure Records.

Did the DTC fail this ignition?

Go to Step 2

Go to Step 14

14

Observe the Capture Info with a scan tool.

Are there any DTCs that have not been diagnosed?

Go to Diagnostic Trouble Code (DTC) List

System OK