GM Service Manual Online
For 1990-2009 cars only
Makes
🢒
Saturn
🢒
2005
🢒
L300/LW300
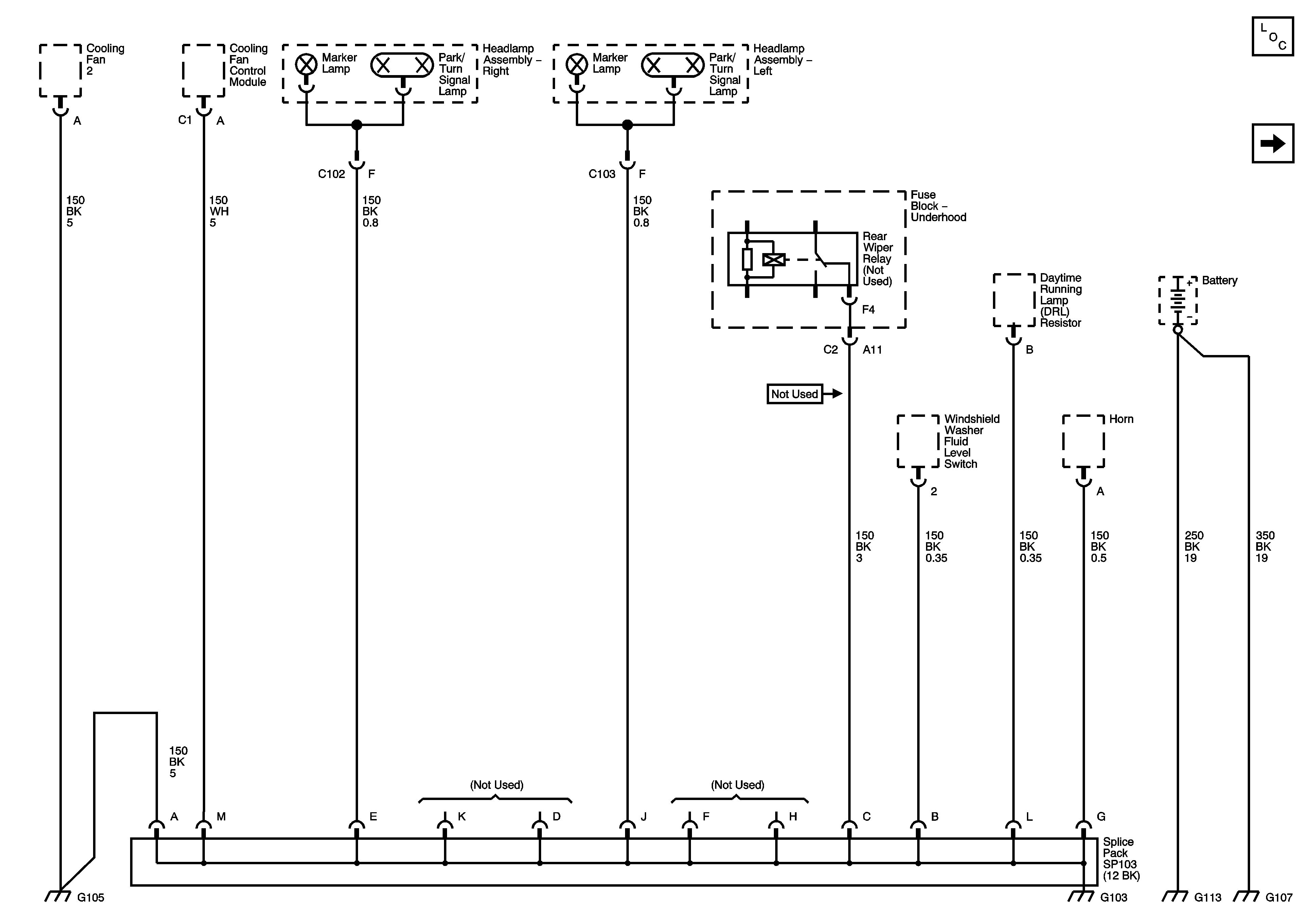
🢒 G103, G105, G107, and G113
G103, G105, G107, and G113
G103, G105, G107, and G113
Master Electrical Component List
G110 - 1 of 2