GM Service Manual Online
For 1990-2009 cars only
Makes
🢒
Saturn
🢒
2005
🢒
L300/LW300
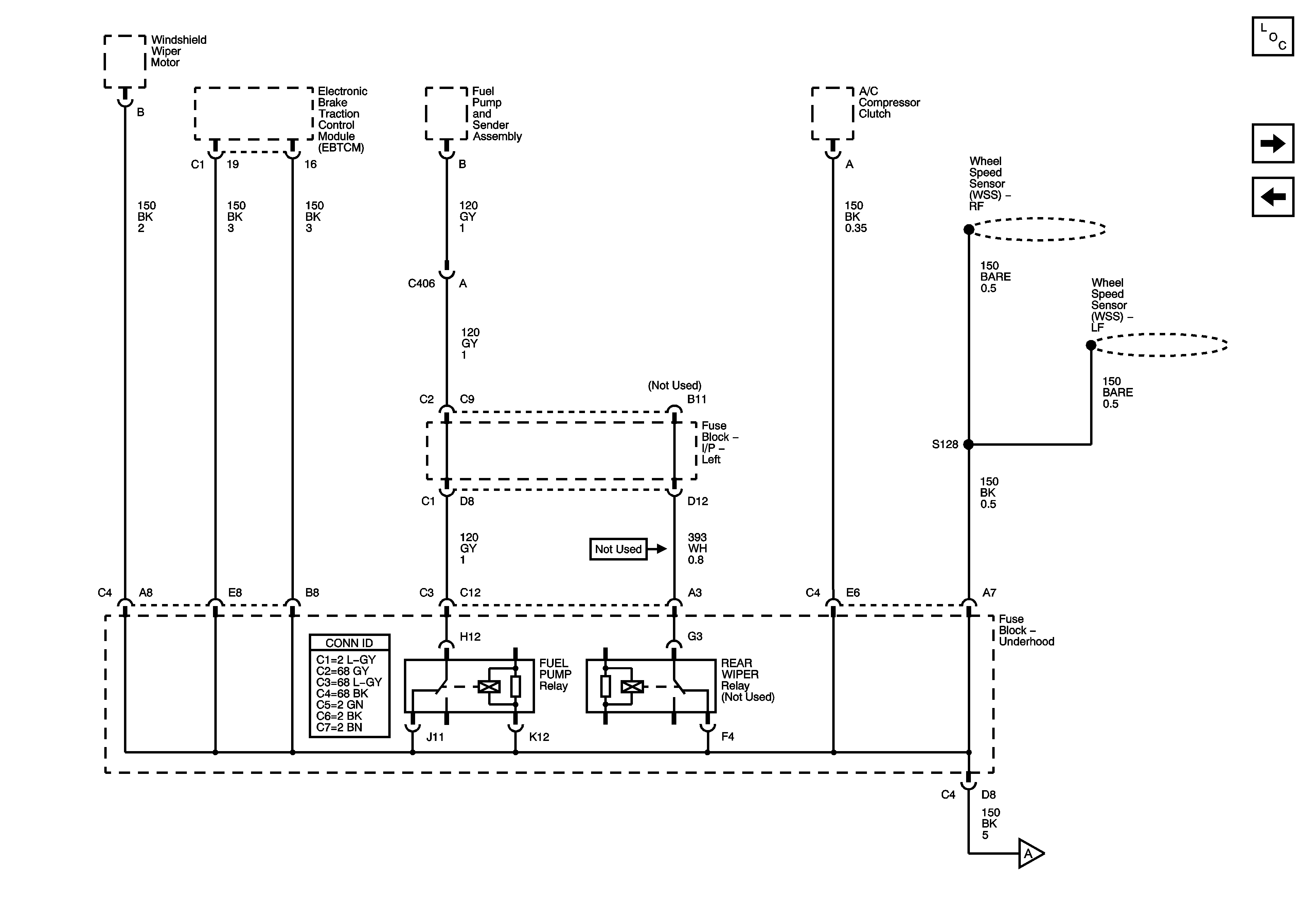
🢒 G110 - 1 of 2
G110 - 1 of 2
G110 1 of 2
Master Electrical Component List
G110 (2 of 2) and G102
G103, G105, G107, and G113
G110 (2 of 2) and G102