GM Service Manual Online
For 1990-2009 cars only
Makes
🢒
Saturn
🢒
2005
🢒
L300/LW300
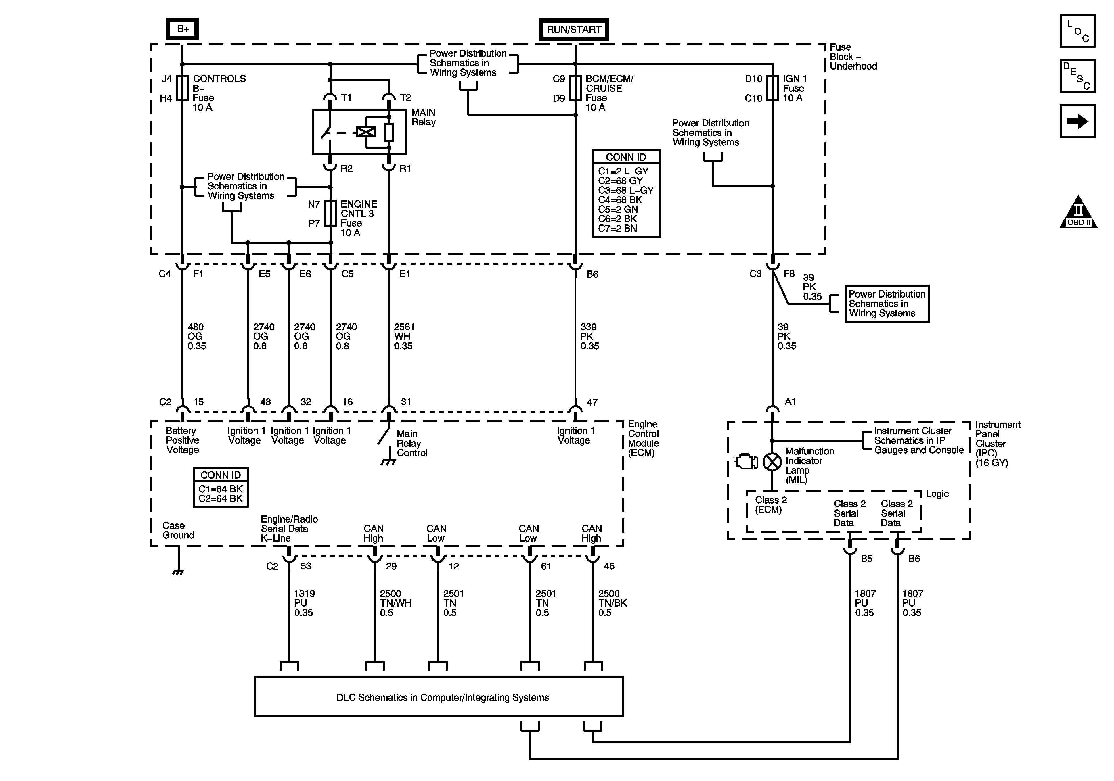
🢒 Module Power, Ground, Serial Data, and MIL
Module Power, Ground, Serial Data, and MIL
ECM Power, Ground, Serial Data, and MIL
Master Electrical Component List
Engine Control Module Description
Engine Data Sensors - 5-Volt References
OBD II Symbol Description Notice
Fuse Block - Underhood Bus
ABS 1, ABS 2, BRAKE, CONTROLS B+, COOL FAN 1, COOL FAN 2, HAZARD, and PARK LAMP Fuses
BACKUP/TURN, BCM/ECM/CRUISE, CRUISE SW, and IGN 1 Fuses
BACKUP/TURN, BCM/ECM/CRUISE, CRUISE SW, and IGN 1 Fuses
Gages
Data Link Connector